legines.com
3350# 45 fokos utcai könyök sárgaréz csőszerelvények

3350# 45 fokos utcai könyök sárgaréz csőszerelvények

Termékjellemzők: Piacok:
■■ Minden sárgaréz felépítés ■■ Ipari
■■ Megfelel a funkcionális követelményeknek ■■ Építés
SAE J530 és SAE J531 ■■ Nagy teherbírású teherautó
■■ A dryeal szabványokhoz készített szálak ■■ Mozgó
■■ Mind a kovácsolás, mind az extrudálások rendelkezésre állnak ■■ Gyári/folyamat automatizálás

Alkalmazások: Kompatibilis cső:
■■ Légi vonal ■■ Réz
■■ Vízvezeték ■■ Sárgaréz
■■ Hűtővezetékek ■■ Vascső

Műszaki adatok:
A nyomástartomány akár 1000 psi -ig
Hőmérsékleti tartomány -65–250 °F

Tipikus alkalmazás:
Grease, üzemanyagok, LP és földgáz, hűtőszekrények. Instrumentáció és hidraulikus rendszerek

Megfelelőség:
Megfelel az ASA, ASME és SAE előírásainak és szabványainak.

Referencia rész száma:
306 -3350 -2214P -224 -124A

Vegye fel velünk a kapcsolatot

Előírások

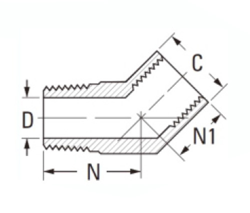
RÉSZ# Szálméret C D N N1
3350-A 1/8 × 1/8 9/16 .219 .50 .38
3350-B 1/4 × 1/4 11/16 .315 .74 .56
3350-C 3/8 × 3/8 13/16 .438 .78 .56
3350-D 1/2 × 1/2 1 " .562 1.00 .76
3350-E 3/4 × 3/4 1 "-1/4 .750 1.06 .75

*Ref.sae No.130339

A 3350 egy 45 fokos utcai könyök alakú felszerelés. A felszerelést különféle csővezeték -anyagokkal használják, és akár 1000 psi -ig is képesek ellenállni. A működési hőmérsékleti tartománya -65 és 250 ° F között is van. A 45 fokos utcai könyök sárgaréz csőszerelvényeket a tapasztalt gyártók csapata pontos előírásainak készítik. Az utcai könyök egy csőszerelvény, amelynek egyik végén két csőfál van, a másik végén pedig 90 ° -os kanyar van a csőben. Az utcai könyököket sokféle iparban használják, a vízvezetéktől a szállításig. Az utcai könyök női vagy férfi konfigurációban készül, hogy a folyadékok vagy gázok áramlását nyomást, hőmérsékleten és vonalméretben növeljék, amennyire az ügyfél szükséges.

Vegye fel velünk a kapcsolatot

Körülbelül Ligány

Legalles Industrial Machinery Inc.

Professzionális kínai sárgaréz -szerelvényekként a gyártók és a szerelvények beszállítói. 45 Automatikus szerszámgépek, 35 félautomata CNC szerszámgép, valamint forgalmazók, akik fontos beszállítókká váltak az amerikai standard sárgaréz alkatrészek gyártásához Kínában ...
  • becsület
  • becsület

UTASÍTÁS & Hírek