legines.com
3200# Extender adapter szerelvények

3200# Extender adapter szerelvények

Termékjellemzők: Piacok:
■■ Minden sárgaréz felépítés ■■ Ipari
■■ Megfelel a funkcionális követelményeknek ■■ Építés
SAE J530 és SAE J531 ■■ Nagy teherbírású teherautó
■■ A dryeal szabványokhoz készített szálak ■■ Mozgó
■■ Mind a kovácsolás, mind az extrudálások rendelkezésre állnak ■■ Gyári/folyamat automatizálás

Alkalmazások: Kompatibilis cső:
■■ Légi vonal ■■ Réz
■■ Vízvezeték ■■ Sárgaréz
■■ Hűtővezetékek ■■ Vascső

Műszaki adatok:
A nyomástartomány akár 1000 psi -ig
Hőmérsékleti tartomány -65–250 °F

Tipikus alkalmazás:
Grease, üzemanyagok, LP és földgáz, hűtőszekrények. Instrumentáció és hidraulikus rendszerek

Megfelelőség:
Megfelel az ASA, ASME és SAE előírásainak és szabványainak.

Referencia rész száma:
375 -222p -3200 -R1 -120AH -120b

Vegye fel velünk a kapcsolatot

Előírások

RÉSZ#

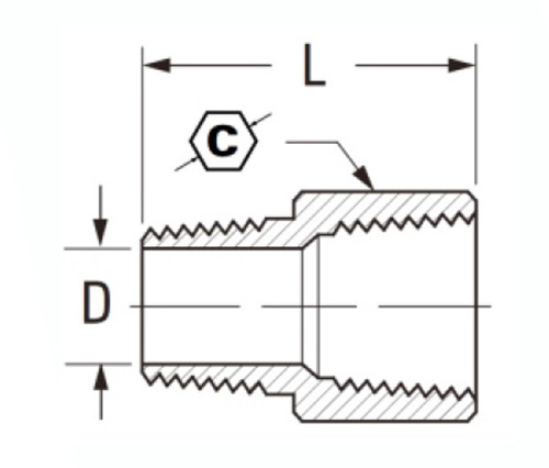
Szálméret

C

F

L

3200-AA

F1/8 × m1/8

1/2

.219

.88

3200L-AA

F1/8 × m1/8

9/16

.219

.83

3200-BA

F1/4 × m1/8

3/4

.219

1.06

3200L-BA

F1/4 × m1/8

11/16

.219

.94

3200ll-ba

F1/4 × m1/8

5/8

.219

.94

3200 BB

F1/4 × m1/4

3/4

.312

1.25

3200L-BB

F1/4 × m1/4

11/16

.312

1.00

3200ll-BB

F1/4 × m1/4

5/8

.312

1.00

3200-CA

F3/8 × m1/8

7/8

.219

1.00

3200-CB

F3/8 × m1/4

7/8

.312

1.25

3200L-CB

F3/8 × m1/4

13/16

.312

1.12

3200-CC

F3/8 × m3/8

7/8

.438

1.24

3200L-CC

F3/8 × m3/8

13/16

.438

1.12

3200-DB

F1/2 × m1/4

1-1/16

.312

1.46

3200-DC

F1/2 × m3/8

1-1/16

.438

1.47

3200L-DC

F1/2 × m3/8

15/16

.438

1.19

3200-DD

F1/2 × m1/2

1-1/16

.562

1.66

3200L-DD

F1/2 × m1/2

15/16

.562

1.31

3200-EC

F3/4 × m3/8

1-1/4

.438

1.59

3200-ed

F3/4 × m1/2

1-1/4

.563

1.69

3200-EE

F3/4 × m3/4

1-1/4

.750

1.69

*L: Fény

*Ref.sae No.130139

Az adapter szerelvények mind a kovácsolásokból, mind az extrudálásokból készülnek, és a csövek széles skálájával kompatibilisek, beleértve a légvezetékeket, a vízvezetékeket stb. Kompatibilis mind a réz, mind a sárgaréz csővel, ez a termék képes kezelni az 1000 psi nyomástartományt. Az összes szerelvény az USA -ban készül. A 3200 -as sorozatú - 200 sorozatú adapter szerelvényeket az RSE -k úgy tervezték, hogy meghosszabbítsák a csőhosszokat. A tartós, minden sárgaréz konstrukció ezeket a csatlakozókat ideálissá teszi ipari, teherautó és mobil alkalmazásokhoz. Ezek a szerelvények bármilyen 2 hüvelykes csőméretet összekapcsolhatnak, és nyomástartománya 500-1000 psi között van, a hőmérséklet -65 és 250 ° Fahrenheit közötti hőmérsékleten. Szintén kapható méretben 1/8 ”-ig, 6” -ig. A 3200# kiterjesztő adapter illesztést 1/2 -től 2 -ig tartó csövek méretű alkalmazásokhoz tervezték. Ez egy bronzból készült, felsőrendű test, amely védelmet nyújt a korrózió ellen, így a szerelvény különféle víznyomás szintjén használható. A női vége menetes és három csavarral rendelkezik.

Vegye fel velünk a kapcsolatot

Körülbelül Ligány

Legalles Industrial Machinery Inc.

Professzionális kínai sárgaréz -szerelvényekként a gyártók és a szerelvények beszállítói. 45 Automatikus szerszámgépek, 35 félautomata CNC szerszámgép, valamint forgalmazók, akik fontos beszállítókká váltak az amerikai standard sárgaréz alkatrészek gyártásához Kínában ...
  • becsület
  • becsület

UTASÍTÁS & Hírek