legines.com
3152# Sárgaréz szerelvények CORED HEX DUGS PIPE FECTINGS

3152# Sárgaréz szerelvények CORED HEX DUGS PIPE FECTINGS

Termékjellemzők: Piacok:
■■ Minden sárgaréz felépítés ■■ Ipari
■■ Megfelel a funkcionális követelményeknek ■■ Építés
SAE J530 és SAE J531 ■■ Nagy teherbírású teherautó
■■ A dryeal szabványokhoz készített szálak ■■ Mozgó
■■ Mind a kovácsolás, mind az extrudálások rendelkezésre állnak ■■ Gyári/folyamat automatizálás

Alkalmazások: Kompatibilis cső:
■■ Légi vonal ■■ Réz
■■ Vízvezeték ■■ Sárgaréz
■■ Hűtővezetékek ■■ Vascső

Műszaki adatok:
A nyomástartomány akár 1000 psi -ig
Hőmérsékleti tartomány -65–250 °F

Tipikus alkalmazás:
Grease, üzemanyagok, LP és földgáz, hűtőszekrények. Instrumentáció és hidraulikus rendszerek

Megfelelőség:
Megfelel az ASA, ASME és SAE előírásainak és szabványainak.

Referencia rész száma:
218p -3152 -121a -103 -121b -PPH -218p

Vegye fel velünk a kapcsolatot

Előírások

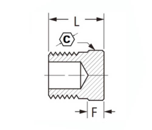
RÉSZ#

Szálméret

C

F

L

3152-A

1/8

7/16

.19

.55

3152-B

1/4

9/16

.18

.62

3152-C

3/8

11/16

.22

.72

3152-D

1/2

7/8

.39

.87

3152-E

3/4

1-1/16

.56

.94

3152# Sárgaréz -szerelvények Cored Hex Dugók csőszerelvények - Ez a termék sárgaréz felépítéssel, ipari alkalmazásokkal, valamint a kovácsolásokkal és az extrudálásokkal is rendelkezésre áll. Ezeket a CORED HEX dugókat SAE J530/J531 szálszabályokkal készítették a Dryeal specifikációkhoz. Kompatibilisek az 1/8 "-es NPT tekercselt csövekkel és sárgaréz csövekkel. Kompatibilisek más anyagokkal, hőmérsékleti tartományokkal és nyomástartományokkal is. Ez egy hatszögletű, hevis végű illesztő dugó, tehát könnyen felszerelhető a hatszögletű csőre. A felhasználás széles választékát tartalmazza, mint például az ipari termelési automatizálás és a mobilteljesítmény. 3-Hungry-Midsize rozsdamentes acél rács az ételkészítéshez (színválaszték) hüvelyk (0-002 hüvelyk).

Vegye fel velünk a kapcsolatot

Körülbelül Ligány

Legalles Industrial Machinery Inc.

Professzionális kínai sárgaréz -szerelvényekként a gyártók és a szerelvények beszállítói. 45 Automatikus szerszámgépek, 35 félautomata CNC szerszámgép, valamint forgalmazók, akik fontos beszállítókká váltak az amerikai standard sárgaréz alkatrészek gyártásához Kínában ...
  • becsület
  • becsület

UTASÍTÁS & Hírek