legines.com
3300# redukáló tengelykapcsoló csőszerelvények

3300# redukáló tengelykapcsoló csőszerelvények

Termékjellemzők: Piacok:
■■ Minden sárgaréz felépítés ■■ Ipari
■■ Megfelel a funkcionális követelményeknek ■■ Építés
SAE J530 és SAE J531 ■■ Nagy teherbírású teherautó
■■ A dryeal szabványokhoz készített szálak ■■ Mozgó
■■ Mind a kovácsolás, mind az extrudálások rendelkezésre állnak ■■ Gyári/folyamat automatizálás

Alkalmazások: Kompatibilis cső:
■■ Légi vonal ■■ Réz
■■ Vízvezeték ■■ Sárgaréz
■■ Hűtővezetékek ■■ Vascső

Műszaki adatok:
A nyomástartomány akár 1000 psi -ig
Hőmérsékleti tartomány -65–250 °F

Tipikus alkalmazás:
Grease, üzemanyagok, LP és földgáz, hűtőszekrények. Instrumentáció és hidraulikus rendszerek

Megfelelőség:
Megfelel az ASA, ASME és SAE előírásainak és szabványainak.

Referencia rész száma:
377 -3300 -208p -108 -119b -119ah

Vegye fel velünk a kapcsolatot

Előírások

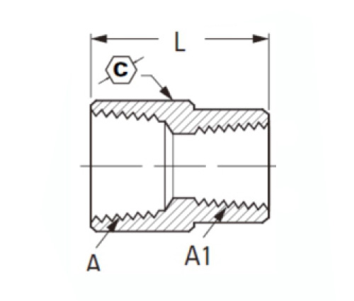
RÉSZ# Szálméret C L
3300-BA 1/4 × 1/8 3/4 .97
3300L-BA 1/4 × 1/8 5/8 .83
3300-CA 3/8 × 1/8 7/8 .94
3300-CB 3/8 × 1/4 7/8 1.16
3300L-CB 3/8 × 1/4 13/16 1.00
3300L-DA 1/2 × 1/8 15/16 1.19
3300-DB 1/2 × 1/4 1-1/16 1.28
3300L-DB 1/2 × 1/4 15/16 1.11
3300-DC 1/2 × 3/8 1-1/16 1.38
3300L-DC 1/2 × 3/8 15/16 1.19
*3300-EC 3/4 × 3/8 1-3/16 1.19
*3300-ed 3/4 × 1/2 1-3/16 1.19

*Ne a SAE specifikációkhoz

* REF.SAE.NO.130138

*L: könnyű

Az FM3300 sorozatú redukáló tengelykapcsoló csőszerelvényeket 2 különböző átmérőjű cső csatlakoztatására használják a csővezetékben, egyenes konfigurációval. Standard SAE csőcsökkentő csatlakoztatás hegesztéssel a férfi végén és a női végén. Megfelel a SAE J530, a SAE J531 és más ipari alkalmazások funkcionális követelményeinek. Az összes sárgaréz felépítés lehetővé teszi ezt a felszerelést a nagy teherbírású teherautók alkalmazására. A dryeal szabványokhoz készített szálak kompatibilisek a rézcsövekkel és a csővel.
A felszerelésünk 100% ötvözetekből és anyagokból készül, sárgaréz kapcsoló végekkel. Ezt az illesztést 1000 psi nyomáson is tesztelték. Nyomás alatt álló hengerben érkezik, minden Camlock -tal és szerelvényrel.

Vegye fel velünk a kapcsolatot

Körülbelül Ligány

Legalles Industrial Machinery Inc.

Professzionális kínai sárgaréz -szerelvényekként a gyártók és a szerelvények beszállítói. 45 Automatikus szerszámgépek, 35 félautomata CNC szerszámgép, valamint forgalmazók, akik fontos beszállítókká váltak az amerikai standard sárgaréz alkatrészek gyártásához Kínában ...
  • becsület
  • becsület

UTASÍTÁS & Hírek