legines.com
3325# A hexbimbó csőszerelvényeinek csökkentése

3325# A hexbimbó csőszerelvényeinek csökkentése

Termékjellemzők: Piacok:
■■ Minden sárgaréz felépítés ■■ Ipari
■■ Megfelel a funkcionális követelményeknek ■■ Építés
SAE J530 és SAE J531 ■■ Nagy teherbírású teherautó
■■ A dryeal szabványokhoz készített szálak ■■ Mozgó
■■ Mind a kovácsolás, mind az extrudálások rendelkezésre állnak ■■ Gyári/folyamat automatizálás

Alkalmazások: Kompatibilis cső:
■■ Légi vonal ■■ Réz
■■ Vízvezeték ■■ Sárgaréz
■■ Hűtővezetékek ■■ Vascső

Műszaki adatok:
A nyomástartomány akár 1000 psi -ig
Hőmérsékleti tartomány -65–250 °F

Tipikus alkalmazás:
Grease, üzemanyagok, LP és földgáz, hűtőszekrények. Instrumentáció és hidraulikus rendszerek

Megfelelőség:
Megfelel az ASA, ASME és SAE előírásainak és szabványainak.

Referencia rész száma:
216p -3325 -379 -122AH -122B

Vegye fel velünk a kapcsolatot

Előírások

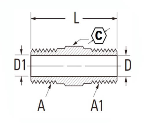
RÉSZ#

Szálméret

C

D

D1

L

3325L-AA

1/8 × 1/8

7/16

.219

.219

.91

3325-AA

1/8 × 1/8

7/16

.219

.219

.97

3325L-BA

1/4 × 1/8

9/16

.219

.219

1.00

3325-ba

1/4 × 1/8

91/6

.312

.219

1.19

3325L-BB

1/4 × 1/4

9/16

.312

.312

1.12

3325-BB

1/4 × 1/4

9/16

.312

.312

1.38

3325L-CA

3/8 × 1/8

11/16

.438

.219

1.11

3325-CA

3/8 × 1/8

11/16

.438

.219

1.22

3325L-CB

3/8 × 1/4

11/16

.438

.312

1.19

3325-CB

3/8 × 1/4

11/16

.438

.312

1.41

3325L-CC

3/8 × 3/8

11/16

.438

.438

1.25

3325-CC

3/8 × 3/8

11/16

.438

.438

1.41

3325L-DB

1/2 × 1/4

7/8

.562

.319

1.34

3325-DB

1/2 × 1/4

7/8

.562

.319

1.62

3325L-DC

1/2 × 3/8

7/8

.562

.438

1.41

3325-DC

1/2 × 3/8

7/8

.562

.438

1.62

3325L-DD

1/2 × 1/2

7/8

.662

.662

1.50

3325-DD

1/2 × 1/2

7/8

.562

.562

1.81

3325-ed

3/4 × 1/2

1-1/16

.750

.562

1.50

3325-EE

3/4 × 3/4

1-1/16

.750

.750

1.96

3325 HH

1 "× 1"

1-3/8

.960

.960

2.30

* L: Fény

*Ref.sae No.130137

A 3325-ös sorozatú hexbimbó csőszerelvényeink sárgaréz ötvözettel készülnek, amely 100% -ban ólommentes. Kínálunk egyaránt kovácsolást és extrudálást ennek a illeszkedésnek. Mindegyik mellbimbót úgy gyártják, hogy megfeleljen a SAE J530 vagy a SAE J531 funkcionális követelményeinek, mindkét nehéz tehergépjármű -piacnak. A kovácsolt 3325 sorozatú csőbimbók nagy és standard méretű szálakban is kaphatók. Ezek a mellbimbók kompatibilisek a réz-, réz- és vascsövekkel, ¼ ”és ½” ütemterv között. A gyári értékesítési mérnökök segítenek abban, hogy megbizonyosodjon arról, hogy megfelelő -e a munkájához! A 3325 -ös sorozatú redukáló mellbimbócsövek illesztését a külső átmérőjű cső méretének csökkentésére használják. A 3325-ös sorozatban rézfajtaképek vannak, és a NACE tanúsítvánnyal, valamint az A-607, AWS és ASME bélyegző jelölésekkel járnak. Különböző nyomáson kapható, akár 1000 psi -ig.
A Hex Blipple csőszerelvények csökkentése ideális a legtöbb alkalmazáshoz. Kompakt, helytakarékos mintákat biztosítanak, és a csővezeték-rendszerek összekapcsolására használják. Ezek a férfi és női csatlakozók erős kovácsolt sárgaréz anyagokból készülnek, és precíziós, megmunkált szálakkal vannak felszerelve a sima működés biztosítása érdekében.

Vegye fel velünk a kapcsolatot

Körülbelül Ligány

Legalles Industrial Machinery Inc.

Professzionális kínai sárgaréz -szerelvényekként a gyártók és a szerelvények beszállítói. 45 Automatikus szerszámgépek, 35 félautomata CNC szerszámgép, valamint forgalmazók, akik fontos beszállítókká váltak az amerikai standard sárgaréz alkatrészek gyártásához Kínában ...
  • becsület
  • becsület

UTASÍTÁS & Hírek