legines.com
3151# sárgaréz szerelvények négyzet alakú fejdugó csőszerelvények

3151# sárgaréz szerelvények négyzet alakú fejdugó csőszerelvények

Termékjellemzők: Piacok:
■■ Minden sárgaréz felépítés ■■ Ipari
■■ Megfelel a funkcionális követelményeknek ■■ Építés
SAE J530 és SAE J531 ■■ Nagy teherbírású teherautó
■■ A dryeal szabványokhoz készített szálak ■■ Mozgó
■■ Mind a kovácsolás, mind az extrudálások rendelkezésre állnak ■■ Gyári/folyamat automatizálás

Alkalmazások: Kompatibilis cső:
■■ Légi vonal ■■ Réz
■■ Vízvezeték ■■ Sárgaréz
■■ Hűtővezetékek ■■ Vascső

Műszaki adatok:
A nyomástartomány akár 1000 psi -ig
Hőmérsékleti tartomány -65–250 °F

Tipikus alkalmazás:
Grease, üzemanyagok, LP és földgáz, hűtőszekrények. Instrumentáció és hidraulikus rendszerek

Megfelelőség:
Megfelel az ASA, ASME és SAE előírásainak és szabványainak.

Referencia rész száma:
3151 -211p -109a -109b

Vegye fel velünk a kapcsolatot

Előírások

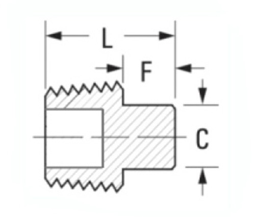
RÉSZ#

Szálméret

C

F

L

3151-A

1/8

.28

.24

.58

3151-B

1/8

.37

.29

.80

*3151L-B

1/4

.37

.29

.80

3151-C

3/8

.43

.32

.80

3151L-C

3/8

.43

.32

.80

3151-D

1/2

.56

.39

1.07

*3151L-D

1/2

.56

.39

1.07

3151-E

3/4

.62

.43

1.11

*3151L-E

3/4

.62

.43

1.11

*Hollow

A 3151 -es sorozatunk a levegővezetékekben, a vízvezetékekben és a kenőrendszerekben használt csőszerelvények teljes választékát kínálja. Ezeket a sárgaréz szerelvényeket SAE J530 és SAE J531 anyagokból gyártják, hogy megfeleljenek a megbízható élettartam munkájának és hőmérsékletének. A szerelvények mind a kovácsolás, mind az extrudálások rendelkezésre állnak, valamint a korrózióálló bevonó burkolatok, amelyek bármilyen OEM szabványra festhetők. Ez az illesztés megfelel a J530 szabványnak, és kompatibilis a Dryeal Pipe menetesnek. Függetlenül attól, hogy új légvonalat épít, vagy a régebbi fémszerelvényeket a modern technológiával cseréli, ezek a tartós szerelvények segítenek abban, hogy a munkát helyesen végezzék el.
A négyzet alakú fejdugó -szerelvényeket sárgarézből gyártják, és különféle alkalmazásokban is felhasználhatók, beleértve a hűtővezetékeket, a vízvezetékeket, a légvonalakat és az elektronikus csatlakozásokat. Minden szerelvény kompatibilis rézcsövekkel vagy vascsövekkel, valamint sárgaréz csövekkel.

Vegye fel velünk a kapcsolatot

Körülbelül Ligány

Legalles Industrial Machinery Inc.

Professzionális kínai sárgaréz -szerelvényekként a gyártók és a szerelvények beszállítói. 45 Automatikus szerszámgépek, 35 félautomata CNC szerszámgép, valamint forgalmazók, akik fontos beszállítókká váltak az amerikai standard sárgaréz alkatrészek gyártásához Kínában ...
  • becsület
  • becsület

UTASÍTÁS & Hírek