legines.com
70# kovácsolt 90 ° -os nőstény könyök kompressziós szerelvények

70# kovácsolt 90 ° -os nőstény könyök kompressziós szerelvények

Alkalmazások: Piacok:
■■ Légi vonal ■■ Ipari
■■ Kenési vonalak ■■ Csomagolás
■■ Hűtővezetékek ■■ Pneumatikus
■■ Ipar ■■ Nyomtatás
■■ Gépek
■■ Kompresszorok
■■ Folyadékátadás

Termékjellemzők:
■■ Megfelel a SAE J-512 funkcionális követelményeinek
■■ UL felsorolva a gyúlékony folyadékra
■■ Sárgaréz vagy acetális ujja áll rendelkezésre
■■ Nincs cső előkészítése
■■ Kovácsolt és extrudált formák

Referencia rész száma:
70 -170c -S70 -70A

Vegye fel velünk a kapcsolatot

Előírások

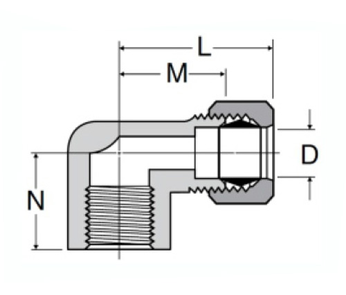
RÉSZ#

Tube O.D X nőstény NPTF

N

M

D

70-3a

3/16x1/8

.470

.69

.125

70-4A

1/4x1/8

.470

.69

.188

70-4b

1/4x1/4

.562

.75

.188

70-5A

5/16x1/8

.600

.78

.234

70-5b

5/16x1/4

.562

.78

.250

70-6b

3/8x1/4

.580

.81

.312

70-6c

3/8x3/8

.580

.88

.312

70-8B

1/2x1/4

.700

1.00

.312

70-8c

1/2x3/8

.700

1.00

.406

70-8D

1/2x1/2

.880

1.00

.406

*Ref.Sae No.060203 BA

A 70# kovácsolt női könyök egy megbízható kompressziós illesztés, amelyet a SAE J-512 kielégítésére készítettek. Ezt a szerelvényt 90 ° -os szöggel tervezték a cső tengelyéhez viszonyítva, és felhasználható a telepítés utáni bármikor elágazásra vagy szög kialakítására. A kovácsolt sárgaréz vagy acetális hüvely lehetővé teszi a könnyű összeszerelést, amely nem szükséges cső előkészítésére.
A 70 fokos női könyök az áramlásszabályozáshoz használható, és enyhe acél, rozsdamentes acél, alumínium és műanyagban használható. A 70 fokos női könyök műanyag vagy sárgaréz hüvelyt tartalmaz, amely korrózióállóságot kínál. Ez az illesztés kompatibilis a puha fallal körülvett csövekkel, és a nyak mérete összeszereléskor megegyezik a cső OD -vel.

Vegye fel velünk a kapcsolatot

Körülbelül Ligány

Legalles Industrial Machinery Inc.

Professzionális kínai sárgaréz -szerelvényekként a gyártók és a szerelvények beszállítói. 45 Automatikus szerszámgépek, 35 félautomata CNC szerszámgép, valamint forgalmazók, akik fontos beszállítókká váltak az amerikai standard sárgaréz alkatrészek gyártásához Kínában ...
  • becsület
  • becsület

UTASÍTÁS & Hírek