legines.com
79# kompressziós szerelvények sárgaréz 45 ° Férfi könyök

79# kompressziós szerelvények sárgaréz 45 ° Férfi könyök

Sárgaréz 45 ° Férfi könyök kompressziós szerelvények 79#

Alkalmazások: Piacok:
■■ Légi vonal ■■ Ipari
■■ Kenési vonalak ■■ Csomagolás
■■ Hűtővezetékek ■■ Pneumatikus
■■ Ipar ■■ Nyomtatás
■■ Gépek
■■ Kompresszorok
■■ Folyadékátadás

Termékjellemzők:
■■ Megfelel a SAE J-512 funkcionális követelményeinek
■■ UL felsorolva a gyúlékony folyadékra
■■ Sárgaréz vagy acetális ujja áll rendelkezésre
■■ Nincs cső előkészítése
■■ Kovácsolt és extrudált formák

Referencia rész száma:
273 -179c -74 -77 -6945

Vegye fel velünk a kapcsolatot

Előírások

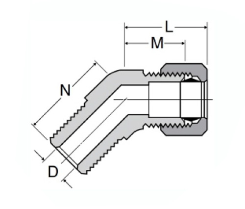
RÉSZ#

Tube O.D × Férfi NPTF

N

M

D

79-3a

3/16 × 1/8

.61

.43

.125

79-4A

1/4 × 1/8

.61

.43

.189

79-4B

1/4 × 1/4

.83

.59

.189

79-5a

5/16 × 1/8

.66

.66

.234

79-5B

5/16 × 1/4

.83

.66

.250

79-6A

3/8 × 1/8

.66

.62

.312

79-6b

3/8 × 1/4

.83

.62

.312

79-6c

3/8 × 3/8

.88

.75

.312

79-8c

1/2 × 3/8

.94

.75

.406

79-8D

1/2 × 1/2

1.13

.94

.406

*Ref.Sae No.060302 BA

A kompressziós szerelvényeket sárgarézből gyártják, és kompressziós héjjal és anyával összeszerelik. A kovácsolt, extrudált súderek minden irányban erőt biztosítanak az állandó telepítéshez.
Ezek a kompressziós szerelvények tökéletesek a vízvezetékcsövekhez, sima, standard és leszerelhető végekkel. Számos különféle iparágban használják őket csatlakozócsövek szerelvényekként is, beleértve a kereskedelmi, ipari, autóipari és tengeri alkalmazásokat.

Vegye fel velünk a kapcsolatot

Körülbelül Ligány

Legalles Industrial Machinery Inc.

Professzionális kínai sárgaréz -szerelvényekként a gyártók és a szerelvények beszállítói. 45 Automatikus szerszámgépek, 35 félautomata CNC szerszámgép, valamint forgalmazók, akik fontos beszállítókká váltak az amerikai standard sárgaréz alkatrészek gyártásához Kínában ...
  • becsület
  • becsület

UTASÍTÁS & Hírek