legines.com
65# 90 ° Férfi unió könyök kompressziós szerelvények

65# 90 ° Férfi unió könyök kompressziós szerelvények

Alkalmazások: Piacok:
■■ Légi vonal ■■ Ipari
■■ Kenési vonalak ■■ Csomagolás
■■ Hűtővezetékek ■■ Pneumatikus
■■ Ipar ■■ Nyomtatás
■■ Gépek
■■ Kompresszorok
■■ Folyadékátadás

Termékjellemzők:
■■ Megfelel a SAE J-512 funkcionális követelményeinek
■■ UL felsorolva a gyúlékony folyadékra
■■ Sárgaréz vagy acetális ujja áll rendelkezésre
■■ Nincs cső előkészítése
■■ Kovácsolt és extrudált formák

Referencia rész száma:
65 -265 -65a -S65

Vegye fel velünk a kapcsolatot

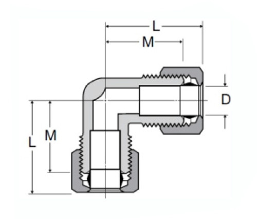
Előírások

PRT# Csőméret O.d M D
65-3 3/16 .61 .125
65-4 1/4 .66 .188
65-5 5/16 .69 .250
65-6 3/8 .72 .312
65-8 1/2 .94 .406
65-10 5/8 1.06 .500
65-12 3/4 1.19 .562
65-6-4 3/8x1/4 .75/.69 .125
65-8-6 1/2x3/8 .94/.88 .312

A 65-ös sorozat legfeljebb 6-szor könnyebb, mint a kovácsolt szerelvények, könnyű és korrózióálló acetális vagy sárgaréz test, valamint kovácsolt sárgaréz középső csap. Ez a szerelvény lehetővé teszi, hogy a cső végét 90 fokos szöghez igazítsa. Ez a szerelvény több anyagban és kivitelben kapható, beleértve a sárgarézet, a rozsdamentes acélt és az acetalis. Mindegyik szerelvényt egy alkatrészszámmal bélyegezzük, biztosítva az egyszerű azonosítást az ellátási lánc minden pontján. Ezt a könyök alegységet általában üzemanyagrendszerekben használják, ahol a rézcső és a rézcső csatlakozásainak ajánlása ajánlott. A csatlakozáshoz szükséges szálak száma a csőanyag, a falvastagság és a szál hangmagassága alapján változhat.

Vegye fel velünk a kapcsolatot

Körülbelül Ligány

Legalles Industrial Machinery Inc.

Professzionális kínai sárgaréz -szerelvényekként a gyártók és a szerelvények beszállítói. 45 Automatikus szerszámgépek, 35 félautomata CNC szerszámgép, valamint forgalmazók, akik fontos beszállítókká váltak az amerikai standard sárgaréz alkatrészek gyártásához Kínában ...
  • becsület
  • becsület

UTASÍTÁS & Hírek