legines.com
3750# sárgaréz szerelvények hím futó póló sárgaréz cső szerelvények

3750# sárgaréz szerelvények hím futó póló sárgaréz cső szerelvények

Termékjellemzők: Piacok:
■■ Minden sárgaréz felépítés ■■ Ipari
■■ Megfelel a funkcionális követelményeknek ■■ Építés
SAE J530 és SAE J531 ■■ Nagy teherbírású teherautó
■■ A dryeal szabványokhoz készített szálak ■■ Mozgó
■■ Mind a kovácsolás, mind az extrudálások rendelkezésre állnak ■■ Gyári/folyamat automatizálás

Alkalmazások: Kompatibilis cső:
■■ Légi vonal ■■ Réz
■■ Vízvezeték ■■ Sárgaréz
■■ Hűtővezetékek ■■ Vascső

Műszaki adatok:
A nyomástartomány akár 1000 psi -ig
Hőmérsékleti tartomány -65–250 °F

Tipikus alkalmazás:
Grease, üzemanyagok, LP és földgáz, hűtőszekrények. Instrumentáció és hidraulikus rendszerek

Megfelelőség:
Megfelel az ASA, ASME és SAE előírásainak és szabványainak.

Referencia rész száma:
2225p -225 -3750 -326 -225 -127a -28245 ~ 28249

Vegye fel velünk a kapcsolatot

Előírások

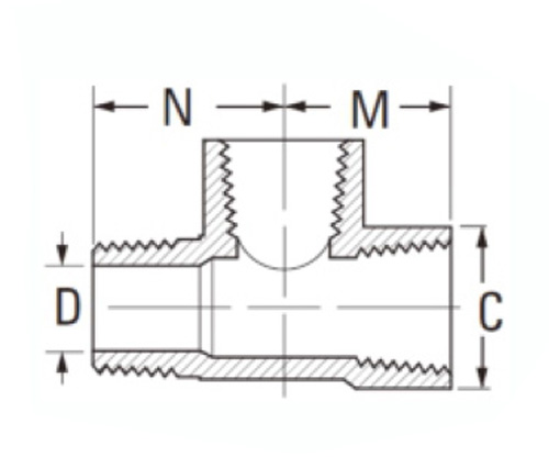
RÉSZ#

Szálméret

C

D

M

N

3750-A

1/8

9/16

.219

.55

.66

3750-B

1/4

11/16

.312

.78

.90

3750-C

3/8

13/16

.438

.84

.97

3750-D

1/2

1 "

.562

1.09

1.25

3750-E

3/4

1 "-1/4

.750

1.38

1.38

*Ref.sae.no.130424

A #3750 férfi futó tee -szerelvényeket sárgarézből gyártják, és megfelelnek az ipari, gyári/folyamat automatizálásának és a mobil alkalmazások igényeinek. Kapcsolatot biztosítanak a nyomás alatt álló légvonalakhoz. Kompatibilis csövek kaphatók réz-, sárgaréz és vascsőben. A piacok között szerepel az építőipar, az ipari és a nehéz tehergépjármű -piacok. A kompatibilis anyagok közé tartoznak a légvezetékek, a vízvezetékek és a hűtővezetékek. Ezek a sárgaréz szerelvények férfiak és nőkben érkeznek az Ön kényelme érdekében. Az anyagok elég erősek ahhoz, hogy felálljanak a szivárgásokra és az erővel, így ideálisak minden időjárási körülményekhez.  Mindegyik illesztést rézcsövekkel, sárgaréz és más minőségi anyagokkal készítik, amelyek erőt, tartósságot és hosszú élettartamot hoznak a darabhoz.

Vegye fel velünk a kapcsolatot

Körülbelül Ligány

Legalles Industrial Machinery Inc.

Professzionális kínai sárgaréz -szerelvényekként a gyártók és a szerelvények beszállítói. 45 Automatikus szerszámgépek, 35 félautomata CNC szerszámgép, valamint forgalmazók, akik fontos beszállítókká váltak az amerikai standard sárgaréz alkatrészek gyártásához Kínában ...
  • becsület
  • becsület

UTASÍTÁS & Hírek