legines.com
3700# Sárgaréz -szerelvények Union Tee Brass Pipe szerelvények

3700# Sárgaréz -szerelvények Union Tee Brass Pipe szerelvények

Termékjellemzők: Piacok:
■■ Minden sárgaréz felépítés ■■ Ipari
■■ Megfelel a funkcionális követelményeknek ■■ Építés
SAE J530 és SAE J531 ■■ Nagy teherbírású teherautó
■■ A dryeal szabványokhoz készített szálak ■■ Mozgó
■■ Mind a kovácsolás, mind az extrudálások rendelkezésre állnak ■■ Gyári/folyamat automatizálás

Alkalmazások: Kompatibilis cső:
■■ Légi vonal ■■ Réz
■■ Vízvezeték ■■ Sárgaréz
■■ Hűtővezetékek ■■ Vascső

Műszaki adatok:
A nyomástartomány akár 1000 psi -ig
Hőmérsékleti tartomány -65–250 °F

Tipikus alkalmazás:
Grease, üzemanyagok, LP és földgáz, hűtőszekrények. Instrumentáció és hidraulikus rendszerek

Megfelelőség:
Megfelel az ASA, ASME és SAE előírásainak és szabványainak.

Referencia rész száma:
2203p -3700 -322 -203 -311 -101a -28024 ~ 28028 -101a

Vegye fel velünk a kapcsolatot

Előírások

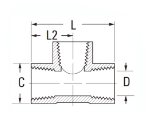
RÉSZ#

Szálméret

C

D

L2

L

3700-A

1/8

9/16

.339

.55

1.10

3700-B

1/4

11/16

.438

.78

1.56

3700-C

3/8

13/16

.516

.84

1.68

3700-D

1/2

1 "

.703

1.09

2.18

3700-E

3/4

1 "-1/4

.906

1.38

2.31

*Ref.sae.no.130438

Ez az uniós póló illesztés a sárgaréz 100% -át építve, és megfelel a SAE J530, SAE J531, SAE J519 és SAE J529 funkcionális követelményeinek. A mobil berendezésekben és az építési alkalmazásokban való felhasználásra szolgál. A szakszervezetek lehetővé teszik az egyszerű összeszerelést és a szétszerelést a tisztítás vagy a javítás során. A szivárgás megakadályozása érdekében menetes összeköttetéseket végeznek a Dryeal Standards -hoz. A csővezeték rendszerének megtervezéséhez és felépítéséhez a 3700# rézfalat -uniós póló a válasz. Ez professzionális, tartós megjelenést kölcsönöz a projektnek, miközben kibővíti a lehetőségeket a telepítéskor.

Vegye fel velünk a kapcsolatot

Körülbelül Ligány

Legalles Industrial Machinery Inc.

Professzionális kínai sárgaréz -szerelvényekként a gyártók és a szerelvények beszállítói. 45 Automatikus szerszámgépek, 35 félautomata CNC szerszámgép, valamint forgalmazók, akik fontos beszállítókká váltak az amerikai standard sárgaréz alkatrészek gyártásához Kínában ...
  • becsület
  • becsület

UTASÍTÁS & Hírek