legines.com
3400# Sárgaréz csőszerelvények 90 fokos utcai könyök

3400# Sárgaréz csőszerelvények 90 fokos utcai könyök

Termékjellemzők: Piacok:
■■ Minden sárgaréz felépítés ■■ Ipari
■■ Megfelel a funkcionális követelményeknek ■■ Építés
SAE J530 és SAE J531 ■■ Nagy teherbírású teherautó
■■ A dryeal szabványokhoz készített szálak ■■ Mozgó
■■ Mind a kovácsolás, mind az extrudálások rendelkezésre állnak ■■ Gyári/folyamat automatizálás

Alkalmazások: Kompatibilis cső:
■■ Légi vonal ■■ Réz
■■ Vízvezeték ■■ Sárgaréz
■■ Hűtővezetékek ■■ Vascső

Műszaki adatok:
A nyomástartomány akár 1000 psi -ig
Hőmérsékleti tartomány -65–250 °F

Tipikus alkalmazás:
Grease, üzemanyagok, LP és földgáz, hűtőszekrények. Instrumentáció és hidraulikus rendszerek

Megfelelőség:
Megfelel az ASA, ASME és SAE előírásainak és szabványainak.

Referencia rész száma:
2202p -3400 -304 -115 -202 -116a -28156 -2816

Vegye fel velünk a kapcsolatot

Előírások

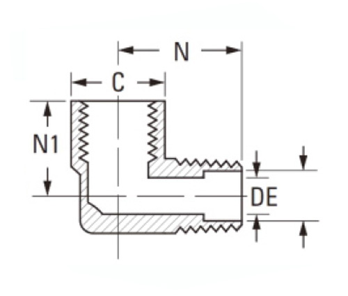
RÉSZ# Szálméret C D N N1
3400-AA 1/8 × 1/8 9/16 .219 .66 .47
3400-bb 1/4 × 1/4 11/16 .315 .91 .72
3400-CC 3/8 × 3/8 13/16 .438 .97 .78
3400-DD 1/2 × 1/2 1 " .562 1.25 1.03
3400-EE 3/4 × 3/4 1-1/4 .750 1.38 1.12

Ref.sae No.130239

3400# Sárgaréz csőszerelvények A 90 fokos utcai könyök minden sárgaréz felépítésből készül, és kompatibilis mind a kovácsolással, mind az extrudálásokkal; Ipari fokozatú szerelvények, amelyek megfelelnek a SAE J530 és a SAE J531 funkcionális követelményeinek; Piac: Építés, nagy teherbírású teherautó és mobil. Mindkét szabványt követik, hogy a hőre lágyuló gumi (TPR) mobil alkalmazásokon dolgozzanak ki autóipari, ipari és kereskedelmi alkalmazásokban történő felhasználásra, ahol a CPVC nem kompatibilis. Ez a hegesztési vég 90 fokos utcai könyök alkalmas hidraulikus rendszerekben való felhasználásra, különösen, ha szélsőséges nyomás alatt dolgoznak. Széles méretben kapható, kivételes korrózióállósággal rendelkezik. Ezt a szerelvényt a rézcsövekből álló levegővezetékek csatlakoztatására használják. 90 fokos szöge van, és sárgarézből készül, így ellenáll a szigorú időjárási viszonyoknak.

Vegye fel velünk a kapcsolatot

Körülbelül Ligány

Legalles Industrial Machinery Inc.

Professzionális kínai sárgaréz -szerelvényekként a gyártók és a szerelvények beszállítói. 45 Automatikus szerszámgépek, 35 félautomata CNC szerszámgép, valamint forgalmazók, akik fontos beszállítókká váltak az amerikai standard sárgaréz alkatrészek gyártásához Kínában ...
  • becsület
  • becsület

UTASÍTÁS & Hírek