legines.com
702 fordított Flare Union Tee szerelvények

702 fordított Flare Union Tee szerelvények

Termékjellemzők:
■■ Minden sárgaréz felépítés
■■ UL -t felsorolva a gyúlékony folyadékra és a gázra
■■ Megfelel a SAE J512 funkcionális követelményeinek
■■ Acél dió a gazdaság számára

Piacok: Alkalmazások:
■■ Légkondicionálás ■■ Hűtőközeg vonalai
■■ Tengeri ■■ Fékvezetékek
■■ Mozgó ■■ Üzemanyagvezetékek
■■ Motorok

Kompatibilis csövek:
■■ Réz
■■ Sárgaréz
■■ Alumínium
■■ Hegesztett acél hidraulikus csövek

Referencia rész száma:
244IFHD -702 -441

Vegye fel velünk a kapcsolatot

Előírások

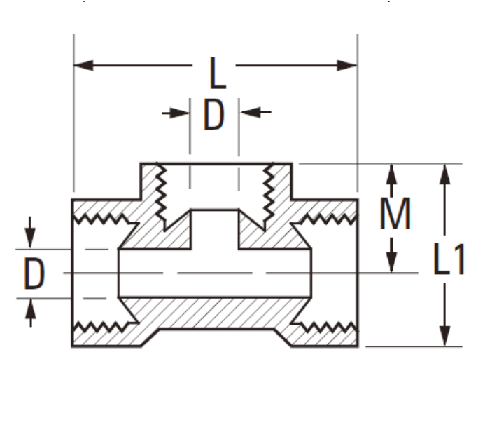
RÉSZ#

Cső O.D

D

M

L

702-2 1/8 .078 .330 .94
702-3 3/16 .125 .390 1.09
702-4 1/4 .188 .420 1.13
702-5 5/16 .219 .450 1.25
702-6 3/8 .281 .560 1.48
702-8 1/2 .406 .937 1.76

*Ref.Sae No.040401 BA

A fordított Flare Union Tee szerelvényt két cső csatlakoztatására használják. Ez a szerelvény lehetővé teszi, hogy az áramlás az egyik csatlakozásból kilépjen az ellenkező csatlakozásból anélkül, hogy csökkentené a nyomást vagy az áramlást. Teljesen összekapcsolódó sárgaréz felépítéssel rendelkezik, és egy SAE J512 megfelelő kialakítással rendelkezik, lehetővé téve, hogy ellenálljon a korróziónak. A fordított Flare Union Tee felhasználható mind kereskedelmi, mind ipari alkalmazásokban, például légkondicionálóban, hűtőközeg -vonalakban, tengeri motorokban, fékvezetékekben és mobil üzemanyagvezetékekben.
A 702 fordított Flare Union Tee szerelvényünk sárgarézből készül, és megfelel a SAE J512 követelményeinek. Van egy acél anya a gazdasághoz

Vegye fel velünk a kapcsolatot

Körülbelül Ligány

Legalles Industrial Machinery Inc.

Professzionális kínai sárgaréz -szerelvényekként a gyártók és a szerelvények beszállítói. 45 Automatikus szerszámgépek, 35 félautomata CNC szerszámgép, valamint forgalmazók, akik fontos beszállítókká váltak az amerikai standard sárgaréz alkatrészek gyártásához Kínában ...
  • becsület
  • becsület

UTASÍTÁS & Hírek