legines.com
302 Sárgaréz fékvezeték -unió illesztés

302 Sárgaréz fékvezeték -unió illesztés

Termékjellemzők:
■■ Minden sárgaréz felépítés
■■ UL -t felsorolva a gyúlékony folyadékra és a gázra
■■ Megfelel a SAE J512 funkcionális követelményeinek
■■ Acél dió a gazdaság számára

Piacok: Alkalmazások:
■■ Légkondicionálás ■■ Hűtőközeg vonalai
■■ Tengeri ■■ Fékvezetékek
■■ Mozgó ■■ Üzemanyagvezetékek
■■ Motorok

Kompatibilis csövek:
■■ Réz
■■ Sárgaréz
■■ Alumínium
■■ Hegesztett acél hidraulikus csövek

Referencia rész száma:
302 -2300 -42ifhd

Vegye fel velünk a kapcsolatot

Előírások

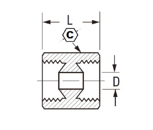
RÉSZ#

Inv.flare × inv.flare

C

D

L

302-2

1/8 13/32 .78

.59

302-3

3/16 15/32 .125

.62

302-4 1/4 17/32 .188 .62

302-5

5/16 19/32 .219 .70

302-6

3/8 3/4 .281 .80
302-8 1/2

29/32

.406

.91

*Ref.Sae No.040101 BA

Ezt az uniós illesztést minden típusú alkalmazáshoz, például légkondicionáló vonalakhoz, hűtőközeg -vonalakhoz, tengeri, mobil üzemanyagvezetékekhez, motorokhoz és átvitelhez használják. Sárgaréz -felépítésből áll, és acél dióval rendelkezik a gazdaság számára.
A 302 sorozatú sárgaréz rugalmas vonalú unió felszerelését a csőszakaszok és a fáklya összekapcsolására használják. A 302 -es sorozat ideális fékvezetékekhez, üzemanyagvezetékekhez és hűtési vonalakhoz. Az acél anyát a vonal uniójának a helyén történő rögzítésére használják. A 302-es sorozatot réz- és alumíniumcsövekkel történő használatra tervezték.
Ez a sárgaréz unió felszerelése lehetővé teszi a csőszakaszok gyors és megbízható összekapcsolását. Sárgarézből készül, amely hőálló és korróziómentes. Könnyen telepíthető, a norprene gumi tömítésnek köszönhetően, amely szoros tömítést biztosít a végfelszerelések között, csökkentve a szivárgást vagy a szivárgást. Az uniós illesztés kompatibilis a rézből, sárgarézből vagy alumíniumból készült csövekkel.
Ez az unió eszközöket kínál két csődarab kapcsolatához. A fő test sárgarézből készül, acél dióval a gazdaság számára. Az egy csőbe ásó, a kudarcba került nyílás egy horonyba illeszkedik az unió testének testében, és egy sárgaréz fáklyára húzódik. A második cső egy külső horonyon megy keresztül, hogy biztonságosan rögzítse egy belső tűvel, amelyre szükség esetén a saját horonyba is elhelyezhető.

Vegye fel velünk a kapcsolatot

Körülbelül Ligány

Legalles Industrial Machinery Inc.

Professzionális kínai sárgaréz -szerelvényekként a gyártók és a szerelvények beszállítói. 45 Automatikus szerszámgépek, 35 félautomata CNC szerszámgép, valamint forgalmazók, akik fontos beszállítókká váltak az amerikai standard sárgaréz alkatrészek gyártásához Kínában ...
  • becsület
  • becsület

UTASÍTÁS & Hírek