legines.com
100 sárgaréz fordított fáklya illesztő cső anya

100 sárgaréz fordított fáklya illesztő cső anya

Termékjellemzők:
■■ Minden sárgaréz felépítés
■■ UL -t felsorolva a gyúlékony folyadékra és a gázra
■■ Megfelel a SAE J512 funkcionális követelményeinek
■■ Acél dió a gazdaság számára

Piacok: Alkalmazások:
■■ Légkondicionálás ■■ Hűtőközeg vonalai
■■ Tengeri ■■ Fékvezetékek
■■ Mozgó ■■ Üzemanyagvezetékek
■■ Motorok

Kompatibilis csövek:
■■ Réz
■■ Sárgaréz
■■ Alumínium
■■ Hegesztett acél hidraulikus csövek

Referencia rész száma:
2100 41if -100 -41ib

Vegye fel velünk a kapcsolatot

Előírások

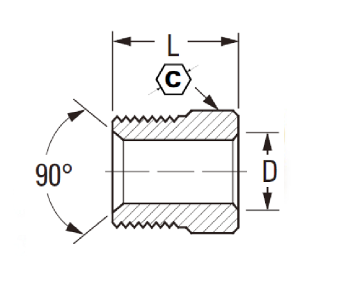
RÉSZ#

Cső O.D

C

D

L

100-3

3/16 3/8 .196

.56

100-4

1/4 7/16 .259 .56

100-5

5/16 1/2 .321 .62

100-6

3/8 5/8 .384 .66

100-8

1/2

3/4

.508

.74

*Ref.Sae No.040110 BA

Erős és gazdaságos, ez a fordított fáklyás illesztés sárgarézből készül. A szerelvény acél anyát tartalmaz a biztonság érdekében, és réz-, sárgaréz vagy alumíniumcsövekkel is felhasználható. Ez megfelel a SAE J512 összes funkcionális követelményének.
All-brass konstrukció, 100% ASME B16.28, SAE J512 és SAE J5195.0 A kompresszor szerelvényeket a gőz és a víz magas hőmérsékleten történő felhasználására tervezték. Fúj a cső kompatibilitását, csatlakoztatható bármilyen acélcsövhez vagy csövekhez, akár 1 hüvelykig (25 milliméter).
Ezt a fordított fáklya -illesztő csőanyát, amelyet közismert néven ismertek, úgy tervezték, hogy két darab csöveket csatlakozzon ugyanabban a síkban. A szerelvény egy acél anyát használ, amelynek fáklya vége illeszkedik a női fáklyához, amely a cső másik végére illeszkedik. Ezeket a szerelvényeket széles körben használják számos alkalmazásban, a légkondicionálástól a tengeri és mobil dízelmotorokig.
Nagy teherbírású - Ezeket az invert fáklya -szerelvényeket teljes egészében sárgarézből készítik, és kifejezetten réz- vagy alumíniumcsövekkel történő felhasználásra tervezték. Minden felszerelés teljesen állítható, és a nagy teherbírású építés biztosítja a tartósságot a használat során.

Vegye fel velünk a kapcsolatot

Körülbelül Ligány

Legalles Industrial Machinery Inc.

Professzionális kínai sárgaréz -szerelvényekként a gyártók és a szerelvények beszállítói. 45 Automatikus szerszámgépek, 35 félautomata CNC szerszámgép, valamint forgalmazók, akik fontos beszállítókká váltak az amerikai standard sárgaréz alkatrészek gyártásához Kínában ...
  • becsület
  • becsület

UTASÍTÁS & Hírek