legines.com
105L acélcső hosszú szálanya anya

105L acélcső hosszú szálanya anya

Termékjellemzők:
■■ Minden sárgaréz felépítés
■■ UL -t felsorolva a gyúlékony folyadékra és a gázra
■■ Megfelel a SAE J512 funkcionális követelményeinek
■■ Acél dió a gazdaság számára

Piacok: Alkalmazások:
■■ Légkondicionálás ■■ Hűtőközeg vonalai
■■ Tengeri ■■ Fékvezetékek
■■ Mozgó ■■ Üzemanyagvezetékek
■■ Motorok

Kompatibilis csövek:
■■ Réz
■■ Sárgaréz
■■ Alumínium
■■ Hegesztett acél hidraulikus csövek

Referencia rész No:

Vegye fel velünk a kapcsolatot

Előírások

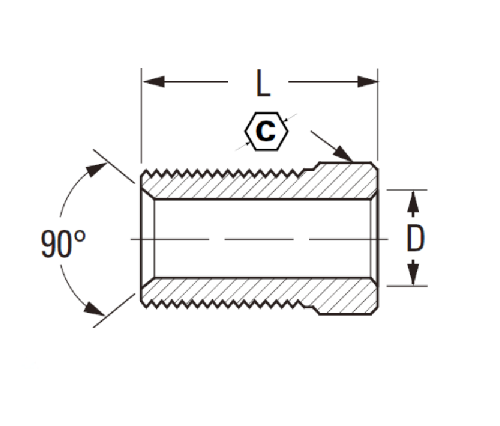
RÉSZ#

Cső O.D

C

D

L

105L-3

3/16 3/8 .196

.844

105L-4

1/4 7/16 .257 .812

Ez egy sárgaréz felépítésű, hosszú szálanyaga a csőhöz 1/4 "-es anyagig. Anyag. UL -t tartalmaz a gyúlékony folyékony és gázhoz, megfelel a SAE J512 & UL 923/UL 181 szabványoknak, és megfelel az FMVSS 135 & FMVSS 302 előírásoknak
Rozsdamentes acél csöveket keres? Ez a lista az Ön számára! A 105L rozsdamentes acélból készült csőhosszú anya nagyszerű frissítés a vízvezeték -rendszerhez, amely az összes sárgaréz felépítésből épül, és megfelel a SAE J512 funkcionális követelményeinek. Sok méretben kapható, ezért ügyeljen arra, hogy ellenőrizze őket.

Vegye fel velünk a kapcsolatot

Körülbelül Ligány

Legalles Industrial Machinery Inc.

Professzionális kínai sárgaréz -szerelvényekként a gyártók és a szerelvények beszállítói. 45 Automatikus szerszámgépek, 35 félautomata CNC szerszámgép, valamint forgalmazók, akik fontos beszállítókká váltak az amerikai standard sárgaréz alkatrészek gyártásához Kínában ...
  • becsület
  • becsület

UTASÍTÁS & Hírek