legines.com
502 fordított fáklyás unió könyök

502 fordított fáklyás unió könyök

Termékjellemzők:
■■ Minden sárgaréz felépítés
■■ UL -t felsorolva a gyúlékony folyadékra és a gázra
■■ Megfelel a SAE J512 funkcionális követelményeinek
■■ Acél dió a gazdaság számára

Piacok: Alkalmazások:
■■ Légkondicionálás ■■ Hűtőközeg vonalai
■■ Tengeri ■■ Fékvezetékek
■■ Mozgó ■■ Üzemanyagvezetékek
■■ Motorok

Kompatibilis csövek:
■■ Réz
■■ Sárgaréz
■■ Alumínium
■■ Hegesztett acél hidraulikus csövek

Referencia rész száma:
502 -450

Vegye fel velünk a kapcsolatot

Előírások

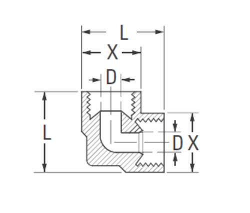
RÉSZ#

Cső O.D

D

M

L

502-4 1/4 .188 .53 .77
*502-5 5/16 .219 .59 .86
*502-6 3/8 .281 .72 1.04

*Nem standard

*Ref.Sae No.040201 BA

Az 502 fordított Flare Union könyök egy fáklya -unió, amely egyetemesen kompatibilis kapcsolatot biztosít a csövekhez az alkatrész lefelé irányuló oldalán. Az összes sárgaréz felépítéssel rendelkezik, UL -t felsorolva a gyúlékony folyadék és a gáz, és megfelel a SAE J512 funkcionális követelményeinek. Acél anya a gazdasághoz, kérjük, ellenőrizze a ref.
Ez az uniós könyök egy vízvezeték -szerelvény, amelyet a hűtő- és légkondicionáló rendszerekben használnak. Általában réz-, ezüst vagy sárgaréz csövekhez van csatlakoztatva. A felgyorsított szerelvények tartalmazzák a vízelvezető lyukakat, amelyek elősegítik a kondenzáció kiürülését a csövekből.

Vegye fel velünk a kapcsolatot

Körülbelül Ligány

Legalles Industrial Machinery Inc.

Professzionális kínai sárgaréz -szerelvényekként a gyártók és a szerelvények beszállítói. 45 Automatikus szerszámgépek, 35 félautomata CNC szerszámgép, valamint forgalmazók, akik fontos beszállítókká váltak az amerikai standard sárgaréz alkatrészek gyártásához Kínában ...
  • becsület
  • becsület

UTASÍTÁS & Hírek