legines.com
252 fordított fáklyás női adapter szerelvények

252 fordított fáklyás női adapter szerelvények

Termékjellemzők:
■■ Minden sárgaréz felépítés
■■ UL -t felsorolva a gyúlékony folyadékra és a gázra
■■ Megfelel a SAE J512 funkcionális követelményeinek
■■ Acél dió a gazdaság számára

Piacok: Alkalmazások:
■■ Légkondicionálás ■■ Hűtőközeg vonalai
■■ Tengeri ■■ Fékvezetékek
■■ Mozgó ■■ Üzemanyagvezetékek
■■ Motorok

Kompatibilis csövek:
■■ Réz
■■ Sárgaréz
■■ Alumínium
■■ Hegesztett acél hidraulikus csövek

Referencia rész száma:
461FHD -252 -46W

Vegye fel velünk a kapcsolatot

Előírások

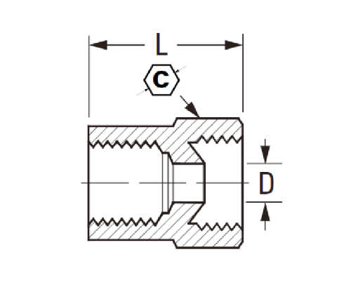
RÉSZ#

Tube o.d × szál

C

D

L

252-3A

3/16 × 1/8 15/32 .125 .62

252-4A

1/4 × 1/8 17/32 .188 .62

252-5B

5/16 × 1/4 19/32 .220 .70

252-6B

3/8 × 1/4 3/4 .281 .80

252-8C

1/2 × 3/8 29/32 .406 .91

*Ref.Sae No.040103 BA

Ennek az összes sárgaréz női fáklya adapternek fordított fáklya van a szokásos hím fellendezett szerelvényekkel való használatra. Megbízható pecsétet biztosít a szivárgás megakadályozására, és a SAE J512 jóváhagyta. Az acél anya ajánlott a gazdasági alkalmazásokhoz, ahol a tartósan beépített fáklyát még rövid időn belül el kell távolítani vagy újratelepíteni.
Az extra sokoldalúság és tartósság biztosítása érdekében a 252 -es sorozat olyan csöveket fog beülni, amelyek külső átmérője 3/16 ", 1/4", 5/16 "és 3/8". Ez biztosítja, hogy kompatibilis legyen gyakorlatilag az összes tartályszerelvényével. Lenyűgözi a tartós felépítését is, biztosítva a hosszú életet, függetlenül attól, hogy hányszor használja.
Ezt az adapter illesztést úgy tervezték, hogy a csöveket a tömlőkhöz és a szelepekhez csatlakoztassa. Sárgarézből készült, ez az illesztés megfelel az ipari előírásoknak, és autóipari és tengeri alkalmazásokban való felhasználásra tervezték.
A fordított fáklyás női adapter egy női illesztés, amely kompatibilis a SAE 1/2 "NPT szálakkal és a SAE 3/8" csövekkel. Tartós anyagokból készülnek, amelyeket kiterjedt felhasználásra terveztek, ezek a szerelvények kiválóan alkalmasak minden otthoni vagy vállalkozás számára.

Vegye fel velünk a kapcsolatot

Körülbelül Ligány

Legalles Industrial Machinery Inc.

Professzionális kínai sárgaréz -szerelvényekként a gyártók és a szerelvények beszállítói. 45 Automatikus szerszámgépek, 35 félautomata CNC szerszámgép, valamint forgalmazók, akik fontos beszállítókká váltak az amerikai standard sárgaréz alkatrészek gyártásához Kínában ...
  • becsület
  • becsület

UTASÍTÁS & Hírek