legines.com
402 fordított fáklya 90 ° hím könyökszerelvények

402 fordított fáklya 90 ° hím könyökszerelvények

Termékjellemzők:
■■ Minden sárgaréz felépítés
■■ UL -t felsorolva a gyúlékony folyadékra és a gázra
■■ Megfelel a SAE J512 funkcionális követelményeinek
■■ Acél dió a gazdaság számára

Piacok: Alkalmazások:
■■ Légkondicionálás ■■ Hűtőközeg vonalai
■■ Tengeri ■■ Fékvezetékek
■■ Mozgó ■■ Üzemanyagvezetékek
■■ Motorok

Kompatibilis csövek:
■■ Réz
■■ Sárgaréz
■■ Alumínium
■■ Hegesztett acél hidraulikus csövek

Referencia rész száma:
4000 -2400 -2491IFHD -2491IF -49W

Vegye fel velünk a kapcsolatot

Előírások

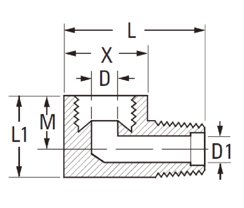
RÉSZ#

Tube O.D × Férfi szál

X

D

L

402-2A

1/8 × 1/8 .42 .078 .80

402-3A

3/16 × 1/8 .47 .125 .70

402-4A

1/4 × 1/8 .53 .188 .74

402-4B

1/4 × 1/4 .56 .188 .89

402-5A

5/16 × 1/8 .59 .219 .79

402-5B

5/16 × 1/4 .59 .220 .98

402-6A

3/8 × 1/8 .76 .281 .89

402-6B

3/8 × 1/4 .76 .281 1.03

402-6C

3/8 × 3/8 .75 .281 1.01

402-8B

1/2 × 1/4 .91 .406 1.08

402-8C

1/2 × 3/8 .92 .406 1.07
402-8D 1/2 × 1/2 .91 .406 1.26
402-10D 5/8 × 1/2 1.06 .531 1.32

*Ref.Sae No.040202 BA

A 90 ° -os könyök fellendülése lehetővé teszi, hogy könnyen összekapcsoljon két vonalat derékszögben. Ezeket a víz, a légkondicionáló és a hűtőközeg vonalak, a fékvezetékek és az üzemanyagvezetékek irányának megváltoztatására használják. Az összes brass építőipari és acél anya ideálissá teszi őket acél hidraulikus gumi tömlőhöz való használatra.
Ez a 90 ° -os fáklya könyöke mind a sárgaréz felépítés, az UL felsorolva a gyúlékony folyékony és gázt, megfelel a SAE J512, 1/8 "X1/8" cső 1/2 "X1/2" férfi illesztésének funkcionális követelményeire. Az acél anya a gazdaság számára, hogy megfeleljen a legtöbb OEM autógyártó előírásainak.
Ez egy NPT hím könyök illesztése, amelyet sárgarézből építettek és vízvezeték -szerelvényre használnak. Ez a szerelvény olcsó módszert kínál a különböző anyagokkal és méretekkel készített csövek összekapcsolására.

Vegye fel velünk a kapcsolatot

Körülbelül Ligány

Legalles Industrial Machinery Inc.

Professzionális kínai sárgaréz -szerelvényekként a gyártók és a szerelvények beszállítói. 45 Automatikus szerszámgépek, 35 félautomata CNC szerszámgép, valamint forgalmazók, akik fontos beszállítókká váltak az amerikai standard sárgaréz alkatrészek gyártásához Kínában ...
  • becsület
  • becsület

UTASÍTÁS & Hírek