legines.com
1570 D.O.T 90 ° könyök adapter

1570 D.O.T 90 ° könyök adapter

Termékjellemzők:
■■ Sárgaréz gyűjtő
■■ Buna n o-gyűrű
■■ Rozsdamentes acél cső tartó
■■ Találkozik a D.O.T. FMVSS571.106
■■ Találkozik a SAE J2494 és a SAE J2494-3

Piacok:
■■ Nagy teherbírású teherautó
■■ Utánfutó
■■ Mozgó

Alkalmazások:
■■ Légfékek
■■ Légi tartályok
■■ Légi út
■■ Csúszdák
■■ Gumiabroncs -infláció
■■ Elsődleges és másodlagos vonalak

Kompatibilis csövek:
■■ SAE J844 A & B típusú nyloncsövek

Referencia rész száma:
AQ70DOT -170pmt -1870 -DQ70DOT -1570DOT

Vegye fel velünk a kapcsolatot

Előírások

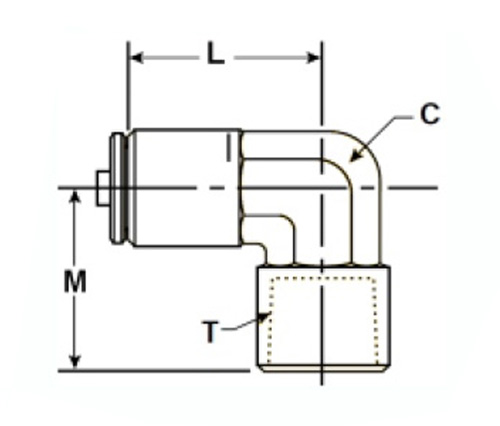
RÉSZ#

Tube O.D × Femlae NPTF

C

M

L

1570-DOT-4A

1/4 × 1/8

3/8

.82

.92

1570-DOT-4B

1/4 × 1/4

1/2

.94

.102

1570-DOT-4C

1/4 × 3/8

5/8

.98

1.11

1570-DOT-6B

3/8 × 1/4

1/2

.94

.96

1570-DOT-6C

3/8 × 3/8

5/8

.91

.98

1570-DOT-8D

1/2 × 1/2

5/8

1.21

1.14

A SAE J1570 DOT 90 ° Elbow adapter sárgaréz Collet és Buna N típusú o-gyűrűvel rendelkezik a szivárgásmentes rögzítéshez és az egyszerű telepítéshez, míg a rozsdamentes acél cső tartós tartósságot biztosítja. Találkozik a D.O.T. Követelmények, az FMVSS571.106, a SAE J2494 és a SAE J2494-3 megfelelõ specifikációk SAE J844 A & B Type Nyloncsövekhez való felhasználáshoz. Ez a 90 ° S: Ennek az adapternek az alacsony profilú kialakítása lehetővé teszi, hogy szűk terekbe illeszkedjen, miközben még mindig elég erős ahhoz, hogy megfeleljen a DOT specifikációjának. Ezt a sárgaréz könyököt úgy tervezték, hogy a légvonalak végére szereljék, lehetővé téve számukra, hogy a sarkokat szűk helyeken fordítsák. Korrózióálló anyagokból készül, és rozsdamentes acél tartócsövet tartalmaz, amely erősen tartja.

Vegye fel velünk a kapcsolatot

Körülbelül Ligány

Legalles Industrial Machinery Inc.

Professzionális kínai sárgaréz -szerelvényekként a gyártók és a szerelvények beszállítói. 45 Automatikus szerszámgépek, 35 félautomata CNC szerszámgép, valamint forgalmazók, akik fontos beszállítókká váltak az amerikai standard sárgaréz alkatrészek gyártásához Kínában ...
  • becsület
  • becsület

UTASÍTÁS & Hírek