legines.com
1565 Plus in Connect szerelvények könyök

1565 Plus in Connect szerelvények könyök

Termékjellemzők:
■■ Sárgaréz gyűjtő
■■ Buna n o-gyűrű
■■ Rozsdamentes acél cső tartó
■■ Találkozik a D.O.T. FMVSS571.106
■■ Találkozik a SAE J2494 és a SAE J2494-3

Piacok:
■■ Nagy teherbírású teherautó
■■ Utánfutó
■■ Mozgó

Alkalmazások:
■■ Légfékek
■■ Légi tartályok
■■ Légi út
■■ Csúszdák
■■ Gumiabroncs -infláció
■■ Elsődleges és másodlagos vonalak

Kompatibilis csövek:
■■ SAE J844 A & B típusú nyloncsövek

Referencia rész száma:
AQ65DOT -165PMT -1865 -DQ65DOT -1565 -DOT

Vegye fel velünk a kapcsolatot

Előírások

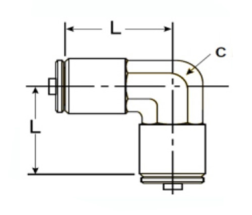
RÉSZ# Cső O.D C L
1565-DOT-4 1/4 3/8 .92
1565-DOT-6 3/8 1/2 .96
1565-DOT-8 1/2 5/8 1.16
1565-DOT-10 5/8 11/16 1.19
1565-DOT-12 3/4 15/16 1.40

Nyomja meg a SAE J844 A, B, C, C és D nylon csövek illesztését. A Buna O-gyűrűvel és a rozsdamentes acél cső tartókkal használják, hogy lehetővé tegyék a tömlők, például légfékek, szervokormányvezetékek és még sok más biztonságos felszerelését. A szerelvényt kiváló minőségű anyagokkal gyártják a megfelelő funkcionalitás és a hosszú élettartam biztosítása érdekében.1565 A Connect szerelvények bebotja egy gumicsövekhez használt felszerelés. Van egy sárgaréz gyűjtője. Ezt a felszerelést a TUSA P/N: 1565-DOT gyártja. A pneumatikus csatlakozási szerelvényeket csövekkel együtt használják egy akadálymentes, állandó vagy ideiglenes összeszerelés létrehozására, amely a standard pneumatikus alkatrészeket használja. $ $ $ $ $

Vegye fel velünk a kapcsolatot

Körülbelül Ligány

Legalles Industrial Machinery Inc.

Professzionális kínai sárgaréz -szerelvényekként a gyártók és a szerelvények beszállítói. 45 Automatikus szerszámgépek, 35 félautomata CNC szerszámgép, valamint forgalmazók, akik fontos beszállítókká váltak az amerikai standard sárgaréz alkatrészek gyártásához Kínában ...
  • becsület
  • becsület

UTASÍTÁS & Hírek