legines.com
3600# sárgaréz szerelvények ág póló sárgaréz cső szerelvények

3600# sárgaréz szerelvények ág póló sárgaréz cső szerelvények

Termékjellemzők: Piacok:
■■ Minden sárgaréz felépítés ■■ Ipari
■■ Megfelel a funkcionális követelményeknek ■■ Építés
SAE J530 és SAE J531 ■■ Nagy teherbírású teherautó
■■ A dryeal szabványokhoz készített szálak ■■ Mozgó
■■ Mind a kovácsolás, mind az extrudálások rendelkezésre állnak ■■ Gyári/folyamat automatizálás

Alkalmazások: Kompatibilis cső:
■■ Légi vonal ■■ Réz
■■ Vízvezeték ■■ Sárgaréz
■■ Hűtővezetékek ■■ Vascső

Műszaki adatok:
A nyomástartomány akár 1000 psi -ig
Hőmérsékleti tartomány -65–250 °F

Tipikus alkalmazás:
Grease, üzemanyagok, LP és földgáz, hűtőszekrények. Instrumentáció és hidraulikus rendszerek

Megfelelőség:
Megfelel az ASA, ASME és SAE előírásainak és szabványainak.

Referencia rész száma:
2224P -3600 -T9 -x106 -226 -329 -128 -28281 ~ 28285

Vegye fel velünk a kapcsolatot

Előírások

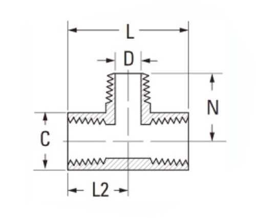
RÉSZ# Szálméret C D L2 N
3600-A F1/8 × m1/8 9/16 .219 1.10 .66
3600-B F1/4 × m1/4 11/16 .315 1.56 .91
3600-C F3/8 × m3/8 13/16 .438 1.68 .97
3600-D F1/2 × m1/2 1 " .562 2.18 1.25
3600-E F3/4 × m3/4 1 "-1/4 .750 2.31 1.38

*Ref.sae No.130425

A nagy teherbírású fióktelepek nagyméretű sárgarézből készülnek, amelyet SAE J530 és SAE J531 szabványok szerint gyártanak. Ezek mind a kovácsolásban, mind az extrudálásokban kaphatók, ami sokoldalúságot ad nekünk, hogy sokféle lehetőséget kínáljunk ügyfeleink számára. Mind a nyomás, mind a hőmérséklet-besorolással készítve ezek az ág pólók gyakorlatilag bármilyen ipari folyamatban alkalmazhatók. Mindkét cső márkája sikeresen használható ezzel a felszereléssel. A réz- és sárgaréz fióktelepek sorozata kiváló minőségű és megbízható teljesítményt nyújt Önnek a legszélesebb körben. Képzett mérnökeink segíthetnek a legjobb termék kiválasztásában, vagy egy olyan rendszer kidolgozásában, amely kielégíti az Ön egyedi igényeit.

Vegye fel velünk a kapcsolatot

Körülbelül Ligány

Legalles Industrial Machinery Inc.

Professzionális kínai sárgaréz -szerelvényekként a gyártók és a szerelvények beszállítói. 45 Automatikus szerszámgépek, 35 félautomata CNC szerszámgép, valamint forgalmazók, akik fontos beszállítókká váltak az amerikai standard sárgaréz alkatrészek gyártásához Kínában ...
  • becsület
  • becsület

UTASÍTÁS & Hírek