legines.com
3500# sárgaréz szerelvények 90 fokos könyökcsövek szerelvények

3500# sárgaréz szerelvények 90 fokos könyökcsövek szerelvények

Termékjellemzők: Piacok:
■■ Minden sárgaréz felépítés ■■ Ipari
■■ Megfelel a funkcionális követelményeknek ■■ Építés
SAE J530 és SAE J531 ■■ Nagy teherbírású teherautó
■■ A dryeal szabványokhoz készített szálak ■■ Mozgó
■■ Mind a kovácsolás, mind az extrudálások rendelkezésre állnak ■■ Gyári/folyamat automatizálás

Alkalmazások: Kompatibilis cső:
■■ Légi vonal ■■ Réz
■■ Vízvezeték ■■ Sárgaréz
■■ Hűtővezetékek ■■ Vascső

Műszaki adatok:
A nyomástartomány akár 1000 psi -ig
Hőmérsékleti tartomány -65–250 °F

Tipikus alkalmazás:
Grease, üzemanyagok, LP és földgáz, hűtőszekrények. Instrumentáció és hidraulikus rendszerek

Megfelelőség:
Megfelel az ASA, ASME és SAE előírásainak és szabványainak.

Referencia rész száma:
2200p -3500 -302 -200 -28001 -28005 -100

Vegye fel velünk a kapcsolatot

Előírások

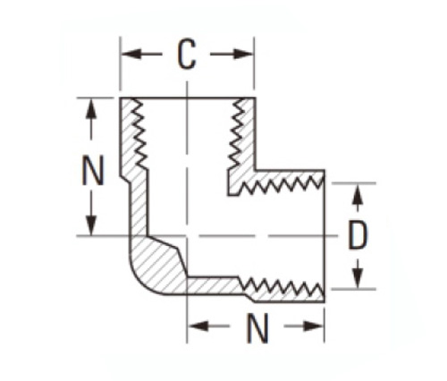
RÉSZ# Szálméret C D N N
3500-A 1/8 × 1/8 9/16 .219 .66 .47
3500-B 1/4 × 1/4 11/16 .315 .91 .72
3500-C 3/8 × 3/8 13/16 .438 .97 .78
3500-D 1/2 × 1/2 1 " .562 1.25 1.03
3500-E 3/4 × 3/4 1 "-1/4 .750 1.38 1.12

Ref.sae No.130238

A sárgarézből készült, 90 fokos könyökünket gyártják az ipari és építési alkalmazások igényeinek kielégítésére. A kovácsolt sárgaréz tartósabb, nehezebb és kevésbé valószínű, hogy meghajlik, mint az extrudált termékek. A bronzszerelvényeinknek jobb ellenállása van a sokk és a rezgés ellen. Kínálunk kovácsolt és extrudált csőszerelvényeket egyaránt az iparági alkalmazásokban, beleértve a légvezetékeket, a vízvezetékeket, a hűtési vonalakat és még sok mást. A sárgaréz szerelvényeket a legmagasabb színvonalú előírásokkal gyártják. A kovácsolási folyamattól a menetes és a befejezésig az egyes szakaszokat precíziós eszközökkel ellenőrzik. Ezek a szerelvények megfelelnek a SAE J530 és a SAE J531 funkcionális követelményeinek, miközben kompatibilisek a SAE standard SAE J514 és ASME B16.21. Kínálunk mind a gyári, mind a teherautó -szerelési lehetőségeket két különböző Barb -konfigurációval, hogy befogadhassák a nagy furat méretét. Akár cserét keres, vagy frissíteni akarja a rendszert, a Crouse-Hinds segíthet.

Vegye fel velünk a kapcsolatot

Körülbelül Ligány

Legalles Industrial Machinery Inc.

Professzionális kínai sárgaréz -szerelvényekként a gyártók és a szerelvények beszállítói. 45 Automatikus szerszámgépek, 35 félautomata CNC szerszámgép, valamint forgalmazók, akik fontos beszállítókká váltak az amerikai standard sárgaréz alkatrészek gyártásához Kínában ...
  • becsület
  • becsület

UTASÍTÁS & Hírek