legines.com
42# SAE 45 ° FLARE női csatlakozó sárgaréz fáklya szerelvények

42# SAE 45 ° FLARE női csatlakozó sárgaréz fáklya szerelvények

Termékjellemzők:
■■ Minden sárgaréz felépítés
■■ Ellenáll a rezgésnek hosszú dió használatával
■■ UL -tőzsdei jegyzés
■■ A SAE J512 és J513 funkcionális követelményei


Piacok: Alkalmazások:
■■ Hűtés ■■ Hűtőközeg vonalai
■■ Nagy teherbírású teherautó ■■ Propán
■■ Mozgó ■■ Üzemanyagok
■■ Ipari ■■ Adapterek
■■ Fűtés ■■ Földgáz
■■ Légkondicionálás

Referencia rész száma:
46 -U3 -10227-10248

Vegye fel velünk a kapcsolatot

Előírások

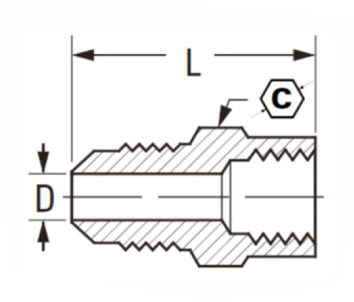
RÉSZ#

Flare o.d × szál

C

D

L

46-3a

3/16 × 1/8

9/16

.126

.58

46-4A

1/4 × 1/8

9/16

.189

.69

46-4b

1/4 × 1/4

11/16

.189

.79

46L-4B

1/4 × 1/4

11/16

.189

.88

46-4C

1/4 × 3/8

13/16

.189

1.06

46-4D

1/4 × 1/2

15/16

.189

1.31

46-5A

5/16 × 1/8

5/8

.219

1.38

46-5B

5/16 × 1/4

11/16

.219

1.44

46-5c

5/16 × 3/8

13/16

.219

1.69

46-6A

3/8 × 1/8

5/8

.282

1.88

46-6b

3/8 × 1/4

11/16

.282

1.87

46L-6b

3/8 × 1/4

13/16

.282

1.31

46-6c

3/8 × 3/8

13/16

.282

1.44

46-6D

3/8 × 1/2

1 "

.282

1.69

46L-6D

3/8 × 1/2

15/16

.282

1.44

46-8B

1/2 × 1/4

3/4

.408

1.60

46-8c

1/2 × 3/8

13/16

.408

1.62

46L-8C

1/2 × 3/8

13/16

.408

1.46

46-8D

1/2 × 1/2

1 "

.408

1.73

46L-8D

1/2 × 1/2

7/8

.408

1.62

46-8e

1/2 × 3/4

1-3/16

.408

1.75

46-10c

5/8 × 3/8

7/8

.500

1.79

46-10D

5/8 × 1/2

1 "

.500

1.98

46-12d

3/4 × 1/2

1-3/16

.625

2.17

46-12e

3/4 × 3/4

1-3/16

.625

2.08

Az "L" fénymintát jelent.

Ezek a szerelvények teljesen felcserélhetők a teljes mintázatú szerelvényekkel, de önmagában is módosították.

Ez a módosítás általában a csőszálak hosszában van, amelyet vízvezeték -szerelvényekhez és könnyű ipari alkalmazásokhoz használnak

*A dimenziós adatok értesítés nélkül változhatnak

*Ref.sae No.010103

A SAE 45 ° Flare csatlakozót a nagy megbízhatóságot igénylő fény-közepes szolgálathoz tervezték. A 46-U3-at 10 000 psi maximális nyomáson használják nitril gumi tömlővel neoprén béléssel. Ennek a csatlakozónak nehéz anya van, amely ellenáll a rezgésnek és meghosszabbítja a termék élettartamát. A SAE hím fáklya illesztés egy bajonett zár gyűrűt használ, amelyhez nincs szükség speciális eszközökre a felszerelés cseréjéhez meghibásodás vagy karbantartás esetén.

Vegye fel velünk a kapcsolatot

Körülbelül Ligány

Legalles Industrial Machinery Inc.

Professzionális kínai sárgaréz -szerelvényekként a gyártók és a szerelvények beszállítói. 45 Automatikus szerszámgépek, 35 félautomata CNC szerszámgép, valamint forgalmazók, akik fontos beszállítókká váltak az amerikai standard sárgaréz alkatrészek gyártásához Kínában ...
  • becsület
  • becsület

UTASÍTÁS & Hírek