legines.com
39# SAE 45 ° Flare Brass Fittings Flare Dugó

39# SAE 45 ° Flare Brass Fittings Flare Dugó

Termékjellemzők:
■■ Minden sárgaréz felépítés
■■ Ellenáll a rezgésnek hosszú dió használatával
■■ UL -tőzsdei jegyzés
■■ A SAE J512 és J513 funkcionális követelményei


Piacok: Alkalmazások:
■■ Hűtés ■■ Hűtőközeg vonalai
■■ Nagy teherbírású teherautó ■■ Propán
■■ Mozgó ■■ Üzemanyagok
■■ Ipari ■■ Adapterek
■■ Fűtés ■■ Földgáz
■■ Légkondicionálás

Referencia rész száma:
58 -57 -439 -639f -P2 -PF -2229 -10063 ~ 10069

Vegye fel velünk a kapcsolatot

Előírások

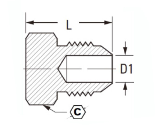
RÉSZ# Cső O.D C D1 L
39-2 1/8 7/16 .079 .47
39-3 3/16 1/2 .126 .58
39-4 1/4 9/16 .189 .69
39-5 5/16 5/8 .220 .79
39-6 3/8 3/4 .282 .88
39-8 1/2 7/8 .408 1.06
39-10 5/8 1-1/16 .502 1.19
39-12 3/4 1-5/16 .627 1.30

*Ref.Sae No.010109

Ez a SAE 45 ° Flare sárgaréz illesztés ideális a hűtéshez, a légkondicionáláshoz és a propánvonalakhoz. Hosszú anyával rendelkezik a rezgésállósághoz, és kompatibilis a SAE J512 és J513 szabványokkal. Ez a felszerelés kiváló minőségű sárgarézből készül, és pontos szabványokból készül, hogy biztosítsa a kiváló teljesítményt.

Vegye fel velünk a kapcsolatot

Körülbelül Ligány

Legalles Industrial Machinery Inc.

Professzionális kínai sárgaréz -szerelvényekként a gyártók és a szerelvények beszállítói. 45 Automatikus szerszámgépek, 35 félautomata CNC szerszámgép, valamint forgalmazók, akik fontos beszállítókká váltak az amerikai standard sárgaréz alkatrészek gyártásához Kínában ...
  • becsület
  • becsület

UTASÍTÁS & Hírek