legines.com
72# Sárgaréz férfi futás tee kompressziós szerelvények

72# Sárgaréz férfi futás tee kompressziós szerelvények

Sárgaréz férfi futó tee kompressziós szerelvények 71

Alkalmazások: Piacok:
■■ Légi vonal ■■ Ipari
■■ Kenési vonalak ■■ Csomagolás
■■ Hűtővezetékek ■■ Pneumatikus
■■ Ipar ■■ Nyomtatás
■■ Gépek
■■ Kompresszorok
■■ Folyadékátadás

Termékjellemzők:
■■ Megfelel a SAE J-512 funkcionális követelményeinek
■■ UL felsorolva a gyúlékony folyadékra
■■ Sárgaréz vagy acetális ujja áll rendelkezésre
■■ Nincs cső előkészítése
■■ Kovácsolt és extrudált formák

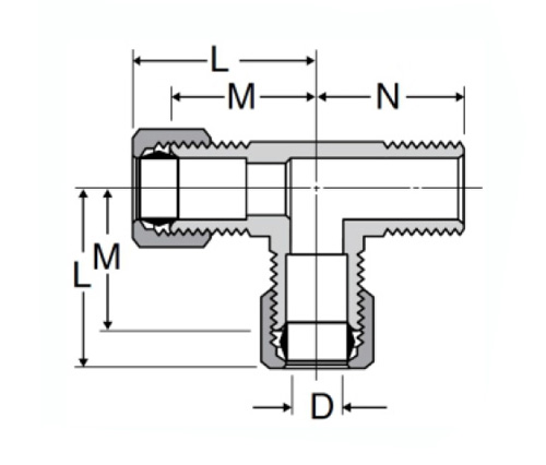
71 -171c -71a -S71

Vegye fel velünk a kapcsolatot

Előírások

RÉSZ#

Tube O.D × Férfi NPTF

M

N

D

71-3a

3/16 × 1/8

.63

.69

.125

71-4A

1/4 × 1/8

.63

.75

.188

71-4B

1/4 × 1/4

.69

.88

.188

71-5A

5/16 × 1/8

.72

.75

.250

71-5B

5/16 × 1/4

.75

.88

.250

71-6A

3/8 × 1/8

.75

.75

.312

71-6B

3/8 × 1/4

.79

.87

.312

71-6c

3/8 × 3/8

.88

1.00

.330

71-8C

1/2 × 3/8

.94

1.09

.406

71-8D

1/2 × 1/2

.97

1.19

.406

71-10d

5/8 × 1/2

1.06

1.31

.500

A 72# sárgaréz férfi futó tee kompressziós szerelvényünk megfelel a SAE J-512 funkcionális követelményeinek, és UL-t felsorolunk a gyúlékony folyadékra. Ezeknek a szerelvényeknek nincs cső előkészítése, és kovácsolt és extrudált formájúak. Számos anyagban kaphatók, beleértve sárgaréz, műanyag és fém hüvelyt. Sárgaréz vagy acetális hüvelyt tartalmaz, és különféle alkalmazásokban, például alsó hordozókban, sebességváltókban és üzemanyag -rendszerekben is felhasználható. Nincs szükség cső előkészítésére.

Vegye fel velünk a kapcsolatot

Körülbelül Ligány

Legalles Industrial Machinery Inc.

Professzionális kínai sárgaréz -szerelvényekként a gyártók és a szerelvények beszállítói. 45 Automatikus szerszámgépek, 35 félautomata CNC szerszámgép, valamint forgalmazók, akik fontos beszállítókká váltak az amerikai standard sárgaréz alkatrészek gyártásához Kínában ...
  • becsület
  • becsület

UTASÍTÁS & Hírek