legines.com
Férfi elágazó póló rozsdamentes acél szerelvények

Férfi elágazó póló rozsdamentes acél szerelvények

Férfi ág póló rozsdamentes acél szerelvények 2060

Tipikus alkalmazás:
Zsír, hűtés, műszeres és hidraulikus rendszerek.

Előnyök:
Dryeal Pipe szálak (BSPT (R)/BSP (G).

Vegye fel velünk a kapcsolatot

Előírások

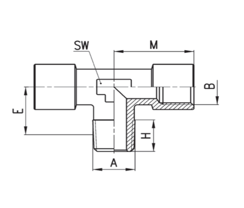
RÉSZ#

A szál méret A × B

S.W

M

E
2060-A R1/8 × G1/8

11.6

19

15

2060-B R1/4 × G1/4

16

23

20

2060-C R3/8 × G3/8

20

25

20.5

2060-D R1/2 × G1/2

23

31.5

24.5

Vegye fel velünk a kapcsolatot

Körülbelül Ligány

Legalles Industrial Machinery Inc.

Professzionális kínai sárgaréz -szerelvényekként a gyártók és a szerelvények beszállítói. 45 Automatikus szerszámgépek, 35 félautomata CNC szerszámgép, valamint forgalmazók, akik fontos beszállítókká váltak az amerikai standard sárgaréz alkatrészek gyártásához Kínában ...
  • becsület
  • becsület

UTASÍTÁS & Hírek