legines.com
Npt férfi redukáló hexbimbó 2511

Npt férfi redukáló hexbimbó 2511

Hex mellbimbó két menetes cső vagy szerelvény csatlakoztatásához, valamint a csőhossz meghosszabbításához, hatszögletű középső szakasz egy csavarkulccsal történő meghúzáshoz.
Férfi NPT szálak a női menetes csövekhez való csatlakozáshoz.
Kovácsolt sárgaréz a korrózióállósághoz, a rugalmassághoz magas hőmérsékleten és az alacsony mágneses permeabilitáshoz.
Működési nyomás 1200 psi -ig, hőmérsékleti tartomány -40 ° F -160 ° F.

Tipikus alkalmazás:
Zsír, hűtés, műszeres és hidraulikus rendszerek.

Előnyök:
Dryeal Pipe szálak (BSPT (R)/BSP (G).

Vegye fel velünk a kapcsolatot

Előírások

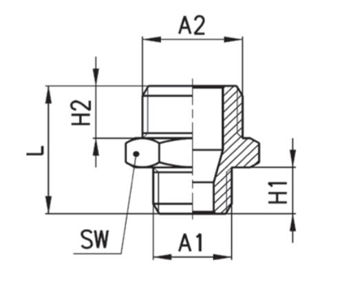
RÉSZ#

A szál méret A1 × A2

S.W

L

H

2511-M5A

M5 × G1/8

13

14.5

4.0

2511-AB

G1/8 × G1/4 17 19.0 6.0

2511-AC

G1/8 × G3/8

19

20.0 6.0

2511-BC

G1/4 × G3/8 19

22.0

8.0

2510-BD

G1/4 × G1/2 24 23.5

10.0

2511-CD

G3/8 × G1/2 24

23.5

10.0

Alacsony permeabilitás és magas hőmérsékleti ellenállás. Szilárd sárgaréz felépítés korrózióálló kivitelben. A csatlakozási szálak tartalmazzák az NPT -t (mind férfi, mind nő).

Vegye fel velünk a kapcsolatot

Körülbelül Ligány

Legalles Industrial Machinery Inc.

Professzionális kínai sárgaréz -szerelvényekként a gyártók és a szerelvények beszállítói. 45 Automatikus szerszámgépek, 35 félautomata CNC szerszámgép, valamint forgalmazók, akik fontos beszállítókká váltak az amerikai standard sárgaréz alkatrészek gyártásához Kínában ...
  • becsület
  • becsület

UTASÍTÁS & Hírek