legines.com
1564 D.O.T PLOCT INSTICT TEE

1564 D.O.T PLOCT INSTICT TEE

Termékjellemzők:
■■ Sárgaréz gyűjtő
■■ Buna n o-gyűrű
■■ Rozsdamentes acél cső tartó
■■ Találkozik a D.O.T. FMVSS571.106
■■ Találkozik a SAE J2494 és a SAE J2494-3

Piacok:
■■ Nagy teherbírású teherautó
■■ Utánfutó
■■ Mozgó

Alkalmazások:
■■ Légfékek
■■ Légi tartályok
■■ Légi út
■■ Csúszdák
■■ Gumiabroncs -infláció
■■ Elsődleges és másodlagos vonalak

Kompatibilis csövek:
■■ SAE J844 A & B típusú nyloncsövek

Referencia rész száma:
AQ64DOT -164PMT -1864 -DQ64DOT -1564 -DOT

Vegye fel velünk a kapcsolatot

Előírások

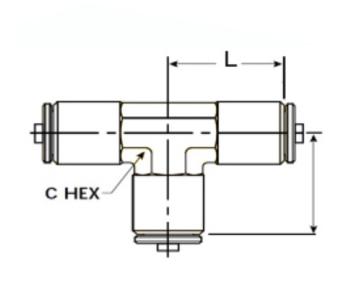
RÉSZ# Csőméret O.d C L
1564-DOT-4 1/4 3/8 .95
1564-DOT-6 3/8 1/2 .96
1564-DOT-8 1/2 5/8 1.16
1564-DOT-10 5/8 11/16 1.19
1564-DOT-12 3/4 15/16 1.40

Az AQ64DOT egy félig rugalmas nyomás a felszereléshez. Ez egy O-gyűrűvel, egy Buna N-vel rendelkezik, amelyet magas nyomású, alacsony hőmérsékletű alkalmazásokra terveztek. A kettős cső tartó megakadályozza, hogy a nagynyomású alkalmazások során kihúzzák a csövet. Az ehhez a termékhez használt anyag az SS304 rozsdamentes acél és sárgaréz, a Buna N O-gyűrűvel, amely megfelel a SAE J2494 és a SAE J2494-3 követelményeknek. Ez a termék kompatibilis mindkét SAE J844 A & B típusú nyloncsövekkel. Az 1564-es pont-beillesztési illesztés sárgarézből készül, O-gyűrűs tömítést, rozsdamentes acél cső-támogatást tartalmaz, és megfelel az FMVSS571.106, SAE J2494 & SAE J2494-3. Használható nagy teherbírású teherautókban, pótkocsikban és mobil berendezésekben a légvonalak szállításához. Ez a felszerelés megkönnyíti a légvonalak elválasztását a fékrendszertől anélkül, hogy csöveket vágna, ezáltal növelve a biztonságot a fék kiszolgálásakor. $ $ $

Vegye fel velünk a kapcsolatot

Körülbelül Ligány

Legalles Industrial Machinery Inc.

Professzionális kínai sárgaréz -szerelvényekként a gyártók és a szerelvények beszállítói. 45 Automatikus szerszámgépek, 35 félautomata CNC szerszámgép, valamint forgalmazók, akik fontos beszállítókká váltak az amerikai standard sárgaréz alkatrészek gyártásához Kínában ...
  • becsület
  • becsület

UTASÍTÁS & Hírek