legines.com
24M Presto elosztó

24M Presto elosztó

Termékjellemzők:
■■ Sárgaréz gyűjtő
■■ Buna n o-gyűrű
■■ Rozsdamentes acél cső tartó
■■ Találkozik a D.O.T. FMVSS571.106
■■ Találkozik a SAE J2494-3
■■ Kompozit test - erős, könnyű, kompakt és ütésálló
■■ Plug-in konfigurációk

Piacok:
■■ Nagy teherbírású teherautó
■■ Utánfutó
■■ Mozgó

Alkalmazások:
■■ Légfékek
■■ Légi tartályok
■■ Légi út
■■ Csúszdák
■■ Gumiabroncs -infláció
■■ Elsődleges és másodlagos vonalak
■■ A CAB vezérli a

Vegye fel velünk a kapcsolatot

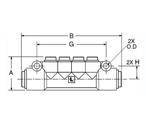
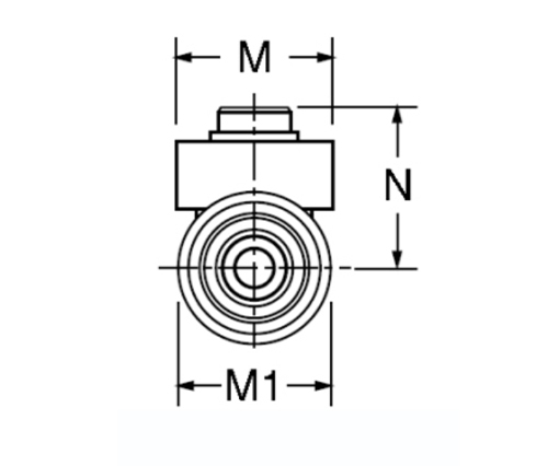
Előírások

RÉSZ

Nem.

Cső O.D

lnlet

Cső O.D

Kimenő kimenő

A B D G H M M1 N
24m-4-4 1/4 1/4 1.33 3.98 .21 2.75 .53 .90 .88 .89
24m-6-4 3/8 1/4 1.33 4.00 .21 2.75 .53 .90 .88 .89
24m-6-6 3/8 3/8 1.65 6.49 .22 4.55 .60 1.02 1.02 1.33
24m-8-8 1/2 1/2 1.65 6.49 .22 4.55 .60 1.02 1.02 1.33
24M-8-6-4-6-8 1/2 3/8 és 1/4 1.65 6.49 .22 4.55 .60 1.02 1.02 1.17

A 24M Presto elosztó úgy van felépítve, hogy egyszerű, gyors és megbízható szolgáltatást nyújtson. Kompozit test, erős, könnyű, ütésálló és kompakt kialakítású test, szilárdságot biztosít, miközben csökkenti az ömlesztett ömlesztést. A 24 méteres Presto elosztót úgy tervezték, hogy megfeleljen a D.O.T FMVSS571.106, a SAE J2494-3 követelményeknek a nagynyomású alkalmazásokra. A plug & play képességei lehetővé teszik a maximális sokoldalúságot bármely alkalmazásban.

Vegye fel velünk a kapcsolatot

Körülbelül Ligány

Legalles Industrial Machinery Inc.

Professzionális kínai sárgaréz -szerelvényekként a gyártók és a szerelvények beszállítói. 45 Automatikus szerszámgépek, 35 félautomata CNC szerszámgép, valamint forgalmazók, akik fontos beszállítókká váltak az amerikai standard sárgaréz alkatrészek gyártásához Kínában ...
  • becsület
  • becsület

UTASÍTÁS & Hírek