legines.com
369pptc hím könyökforgó 90 °

369pptc hím könyökforgó 90 °

Termékjellemzők:
■■ Sárgaréz gyűjtő
■■ Buna n o-gyűrű
■■ Rozsdamentes acél cső tartó
■■ Találkozik a D.O.T. FMVSS571.106
■■ Találkozik a SAE J2494-3
■■ Kompozit test - erős, könnyű, kompakt és ütésálló
■■ Plug-in konfigurációk

Piacok:
■■ Nagy teherbírású teherautó
■■ Utánfutó
■■ Mozgó

Alkalmazások:
■■ Légfékek
■■ Légi tartályok
■■ Légi út
■■ Csúszdák
■■ Gumiabroncs -infláció
■■ Elsődleges és másodlagos vonalak
■■ A CAB vezérli a

Vegye fel velünk a kapcsolatot

Előírások

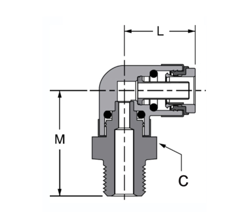
Referencia rész száma:

RÉSZ# Cső méret X férfi NPTF C M L W.G Ár
369PTC-4A 1/4 × 1/8 9/16 .69 .69
369PTC-4B 1/4 × 1/4 9/16 .69 1.20
369PTC-4C 1/4 × 3/8 9/16 .69 1.20
369PTC-6A 3/8 × 1/8 3/4 .99 1.13
369PTC-6B 3/8 × 1/4 3/4 .99 1.28
369PTC-6C 3/8 × 3/8 3/4 .99 1.28
369PTC-6D 3/8 × 1/2 3/4 .99 1.47
369PTC-8B 1/2 × 1/4 15/16 1.11 1.39
369PTC-6C 1/2 × 3/8 15/16 1.11 1.39
369PTC-6D 1/2 × 1/2 15/16 1.11 1.58
369PTC-10C 5/8 × 3/8 1-1/16 1.33 1.60
369PTC-10D 5/8 × 1/2 1-1/16 1.33 1.79
369PTC-12D 3/4 × 1/2 1-3/16 1.52 1.89
369PTC-12E 3/4x3/4 1-3/16 1.52 1.89

A 369PTC férfi könyök kiváló minőségű, teljesen tesztelt forgócsatlakozó, fémgyűjtővel, Buna N O-gyűrűvel és rozsdamentes acélból készült cső tartóval. Találkozik a D.O.T. FMVSS571.106 Szabványok és SAE J2494-3 Szabványok a sima 360 ° forgó fellépéshez. A plug-in konfigurációk kompozit testet tartalmaznak-erős, könnyű, kompakt és ütésálló.

Vegye fel velünk a kapcsolatot

Körülbelül Ligány

Legalles Industrial Machinery Inc.

Professzionális kínai sárgaréz -szerelvényekként a gyártók és a szerelvények beszállítói. 45 Automatikus szerszámgépek, 35 félautomata CNC szerszámgép, valamint forgalmazók, akik fontos beszállítókká váltak az amerikai standard sárgaréz alkatrészek gyártásához Kínában ...
  • becsület
  • becsület

UTASÍTÁS & Hírek