legines.com
72# kompressziós szerelvények férfi ág póló

72# kompressziós szerelvények férfi ág póló

Alkalmazások: Piacok:
■■ Légi vonal ■■ Ipari
■■ Kenési vonalak ■■ Csomagolás
■■ Hűtővezetékek ■■ Pneumatikus
■■ Ipar ■■ Nyomtatás
■■ Gépek
■■ Kompresszorok
■■ Folyadékátadás

Termékjellemzők:
■■ Megfelel a SAE J-512 funkcionális követelményeinek
■■ UL felsorolva a gyúlékony folyadékra
■■ Sárgaréz vagy acetális ujja áll rendelkezésre
■■ Nincs cső előkészítése
■■ Kovácsolt és extrudált formák

Referencia rész száma:
72 -172c -S72 -72A

Vegye fel velünk a kapcsolatot

Előírások

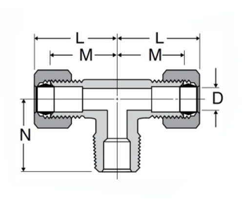
RÉSZ#

Tube O.D × Férfi NPTF

M

N

D

72-3a

3/16 × 1/8

.63

.69

.125

72-4A

1/4 × 1/8

.63

.75

.188

72-4B

1/4 × 1/4

.69

.88

.188

72-5A

5/16 × 1/8

.72

.75

.250

72-5B

5/16 × 1/4

.75

.88

.250

72-6A

3/8 × 1/8

.75

.75

.312

72-6B

3/8 × 1/4

.79

.87

.312

72-6c

3/8 × 3/8

.88

1.00

.330

72-8c

1/2 × 3/8

.94

1.09

.406

72-8D

1/2 × 1/2

.97

1.19

.406

72-10d

5/8 × 1/2

1.06

1.31

.500

Az összes kompressziós szerelvényt úgy gyártják, hogy megfeleljen vagy meghaladja a SAE J-512 és az UL funkcionális követelményeit. Alumíniumötvözetből, sárgarézből vagy acetálból készülnek. Kovácsolt és extrudált formájunk nagyfokú ellenállást mutat a sérülésekkel, amelyek általában a szokásos szerelvényekben fordulnak elő. Bármilyen formát készítünk, amelyet el tud képzelni, akár 2 ”maximális átmérőjű.
A kompressziós szerelvények hím ágú póló egy 90 ° -os ág típusú póló, amely réz, rozsdamentes acél és hőre lágyuló csőhöz használható. A könyök 360 ° -ot forog, hogy megkönnyítse a kemény szögekhez és a pólócsövekhez való csatlakozást.

Vegye fel velünk a kapcsolatot

Körülbelül Ligány

Legalles Industrial Machinery Inc.

Professzionális kínai sárgaréz -szerelvényekként a gyártók és a szerelvények beszállítói. 45 Automatikus szerszámgépek, 35 félautomata CNC szerszámgép, valamint forgalmazók, akik fontos beszállítókká váltak az amerikai standard sárgaréz alkatrészek gyártásához Kínában ...
  • becsület
  • becsület

UTASÍTÁS & Hírek